
鼎力晟業(yè)是SKF進口軸承代理商,不僅為工業(yè)配套用戶提供SKF NJ412軸承,在維修市場也提供足夠的支持,是SKF軸承在國內的優(yōu)質經銷商之一,購買SKF NJ412軸承,鼎力晟業(yè)是您放心的選擇。
型號:NJ412
品牌:SKF
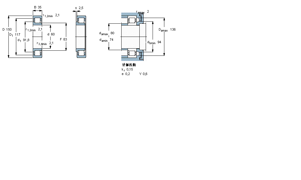
內徑:60
外徑:150
厚度:35
系列:圓柱滾子軸承, 單列, NJ 設計
【
手機版 NJ412軸承
點擊量
更新日期:2021/12/28
】
電話:020-36026999 傳真:020-36705678 服務熱線:18924187999 郵箱:[email protected]
| 圓柱滾子軸承, 單列, NJ 設計 | ||||||||||||
| 公差 , 參見文字 | ||||||||||||
| 徑向內部間隙, 圓柱型內孔 , 圓錐型內孔, 無密封件 , 參見文字 | ||||||||||||
| 推薦配合 | ||||||||||||
| 軸和軸承座公差 | ||||||||||||
|
|
||||||||||||
| 主要數據尺寸 | 基本負荷額定值 | 疲勞負荷限值 | 額定速度 | 體積 | 型號 | 適宜的斜擋圈 | ||||||
| 動態(tài) | 靜態(tài) | 參照速度 | 限制速度 | 型號 | ||||||||
| d | D | B | C | C0 | Pu | |||||||
|
|
||||||||||||
| mm | kN | kN | r/min | kg | - | - | ||||||
|
|
||||||||||||
| 60 | 150 | 35 | 168 | 173 | 22 | 5000 | 6000 | 3,10 | NJ 412 | - | ||
AHX3128/125軸承 TASE75軸承 NUP2208ET軸承 61805N軸承 23948CC/W33軸承 7232CD/DB軸承 NJ264軸承 1216K軸承 452/800軸承 23130-E1A-K-M+AHX3130G軸承 3206ATN9軸承 6030ZZ軸承 66585軸承 7321軸承 51416軸承 RASEL60-N軸承 7210B.X軸承 C30/800KMB軸承 7321軸承 K9×12×13軸承