
SKF NJ213ECML軸承是鼎力晟業(yè)長期代理的產品,鼎力晟業(yè)與SKF公司具有長期的NJ213ECML軸承采購計劃,可以為國內用戶提供足夠數量的SKF NJ213ECML軸承,讓您的工廠無憂運轉。
型號:NJ213ECML
品牌:SKF
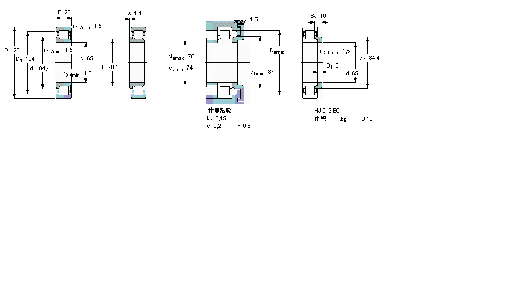
內徑:65
外徑:120
厚度:23
系列:圓柱滾子軸承, 單列, NJ 設計
【
手機版 NJ213ECML軸承
點擊量
更新日期:2021/12/28
】
電話:020-36026999 傳真:020-36705678 服務熱線:18924187999 郵箱:[email protected]
| 圓柱滾子軸承, 單列, NJ 設計 | ||||||||||||
| 公差 , 參見文字 | ||||||||||||
| 徑向內部間隙, 圓柱型內孔 , 圓錐型內孔, 無密封件 , 參見文字 | ||||||||||||
| 推薦配合 | ||||||||||||
| 軸和軸承座公差 | ||||||||||||
|
|
||||||||||||
| 主要數據尺寸 | 基本負荷額定值 | 疲勞負荷限值 | 額定速度 | 體積 | 型號 | 適宜的斜擋圈 | ||||||
| 動態(tài) | 靜態(tài) | 參照速度 | 限制速度 | 型號 | ||||||||
| d | D | B | C | C0 | Pu | * - SKF Explorer 軸承 | ||||||
|
|
||||||||||||
| mm | kN | kN | r/min | kg | - | - | ||||||
|
|
||||||||||||
| 65 | 120 | 23 | 122 | 118 | 15,6 | 6300 | 10000 | 1,07 | NJ 213 ECML * | HJ 213 EC | ||
3379/3329-B軸承 7079/07196D軸承 NAO17x30x13軸承 TLAM2012軸承 F-803036.PRL軸承 22328BKD1+H2328軸承 81210軸承 23168BKD1軸承 OH3944H軸承 7218B/DT軸承 23040EW33K軸承 6005ZENR軸承 72212C軸承 7219ACD軸承 6218N軸承 6213-2RS軸承 5203ANR軸承 UCFL210-115D1軸承 EE380080/380190軸承 HSS7016-C-T-P4S軸承