
作為傳統(tǒng)的進口軸承代理商,鼎力晟業(yè)以廣州為基地,全方位展開與SKF公司的合作,為本地SKF VJ-PDRJ315軸承提供強大的貨源支持,并迅速推廣到全國各地,經(jīng)過多年的努力,VJ-PDRJ315軸承已成為我們的主導產品之一。
型號:VJ-PDRJ315
品牌:SKF
內徑:65
外徑:75
厚度:220.5
系列:雙軸承單元, 用PDRJ單元的軸
【
手機版 VJ-PDRJ315軸承
點擊量
更新日期:2021/12/28
】
電話:020-36026999 傳真:020-36705678 服務熱線:18924187999 郵箱:[email protected]
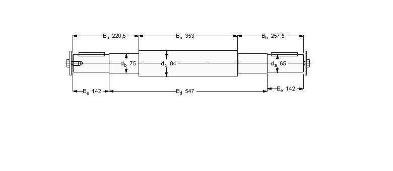
| 雙軸承單元, 用PDRJ單元的軸 | ||||||||||
|
|
||||||||||
| 尺寸 | 鍵 | 質量 | 型號 | |||||||
| da | db | Ba | Bb | Bc | Bd | Be | ||||
|
|
||||||||||
| mm | - | kg | - | |||||||
|
|
||||||||||
| 65 | 75 | 220,5 | 257,5 | 353 | 547 | 142 | 18x11x110 | 29,0 | VJ-PDRJ 315 | |
RMS28軸承 7340BDB軸承 HN4520軸承 CRB9016軸承 6004軸承 745A/742軸承 EGB2820-E40軸承 LM12749/711/Q軸承 NJ232R+HJ232R軸承 CF5軸承 20324-MB軸承 6024NR軸承 NA4905軸承 7216B.TVP軸承 31308A.A50.90.N11CA軸承 53220軸承 NJ2309-E-TVP2軸承 SD236C軸承 619/500軸承 7212B軸承