
SKF SIR25ES軸承是鼎力晟業(yè)長期代理的產品,鼎力晟業(yè)與SKF公司具有長期的SIR25ES軸承采購計劃,可以為國內用戶提供足夠數量的SKF SIR25ES軸承,讓您的工廠無憂運轉。
型號:SIR25ES
品牌:SKF
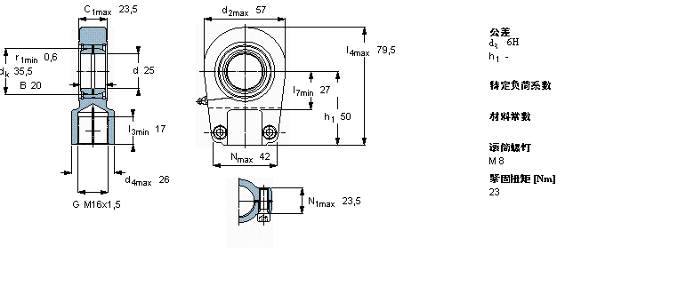
系列:需要維護的桿端, 鋼對鋼,陰螺紋,用于液壓滾筒
【
手機版 SIR25ES軸承
點擊量
更新日期:2021/12/28
】
電話:020-36026999 傳真:020-36705678 服務熱線:18924187999 郵箱:[email protected]
| 需要維護的桿端, 鋼對鋼,陰螺紋,用于液壓滾筒 | |||||||||||
| 公差 , 參見文字 | |||||||||||
| 徑向內部游隙 , 參見文字 | |||||||||||
|
|
|||||||||||
| 主要數據尺寸 | 角度傾的 | 基本負荷額定值 | 質量 | 型號 | |||||||
| 動態(tài) | 靜態(tài) | 桿端帶右旋螺紋 | |||||||||
| d | d2 | B | d3 | C1 | h1 | ± | C | C0 | |||
| 6H | |||||||||||
|
|
|||||||||||
| mm | 度數 | kN | kg | - | |||||||
|
|
|||||||||||
| 25 | 57 | 20 | M16x1,5 | 23,5 | 50 | 7 | 48 | 52 | 0,47 | SIR 25 ES | |
7010C/DF軸承 31311-A軸承 SL045028-PP軸承 24156B軸承 3525軸承 757/752軸承 53211軸承 7322軸承 S6306-2RSR軸承 HC71916-E-T-P4S軸承 RTW617軸承 6300/HR22Q2軸承 LL584449/LL584410軸承 694ZZA軸承 45272軸承 6207/HR22T2軸承 ZARF1560TN軸承 B7004E.T.P4S.UL軸承 61840軸承 3211A軸承