
SKF NU2212ECP軸承是鼎力晟業(yè)長期代理的產品,鼎力晟業(yè)與SKF公司具有長期的NU2212ECP軸承采購計劃,可以為國內用戶提供足夠數量的SKF NU2212ECP軸承,讓您的工廠無憂運轉。
型號:NU2212ECP
品牌:SKF
內徑:60
外徑:110
厚度:28
系列:圓柱滾子軸承, 單列, NU 設計
【
手機版 NU2212ECP軸承
點擊量
更新日期:2021/12/28
】
電話:020-36026999 傳真:020-36705678 服務熱線:18924187999 郵箱:[email protected]
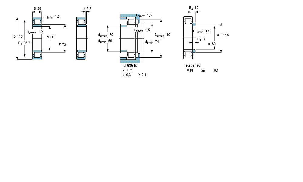
| 圓柱滾子軸承, 單列, NU 設計 | ||||||||||||
| 公差 , 參見文字 | ||||||||||||
| 徑向內部間隙, 圓柱型內孔 , 圓錐型內孔, 無密封件 , 參見文字 | ||||||||||||
| 推薦配合 | ||||||||||||
| 軸和軸承座公差 | ||||||||||||
|
|
||||||||||||
| 主要數據尺寸 | 基本負荷額定值 | 疲勞負荷限值 | 額定速度 | 體積 | 型號 | 適宜的斜擋圈 | ||||||
| 動態(tài) | 靜態(tài) | 參照速度 | 限制速度 | 型號 | ||||||||
| d | D | B | C | C0 | Pu | * - SKF Explorer 軸承 | ||||||
|
|
||||||||||||
| mm | kN | kN | r/min | kg | - | - | ||||||
|
|
||||||||||||
| 60 | 110 | 28 | 146 | 153 | 20 | 6700 | 7500 | 1,10 | NU 2212 ECP * | HJ 212 EC | ||
2310K軸承 7322B軸承 C39/850KM軸承 F-803006.PRL軸承 6819N軸承 15112/15250X軸承 7232B/DT軸承 51104V/HR22T2軸承 NUP2210-E-TVP2軸承 7201C/DF軸承 32240U軸承 46T30309DJR/41.5軸承 NJ421+HJ421軸承 CR19X30X8HMSA10V軸承 PCJT30-N軸承 NJ305E軸承 RNA6918R軸承 BA1812Z軸承 4T-469/453X軸承 21305CCK軸承