
SKF NU408M軸承是鼎力晟業(yè)長期代理的產品,鼎力晟業(yè)與SKF公司具有長期的NU408M軸承采購計劃,可以為國內用戶提供足夠數量的SKF NU408M軸承,讓您的工廠無憂運轉。
型號:NU408M
品牌:SKF
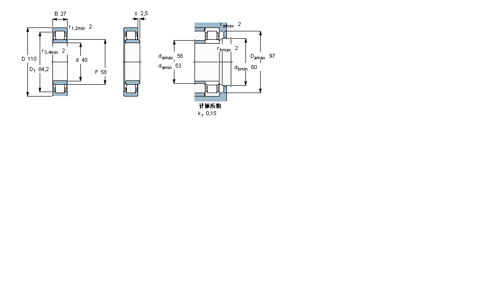
內徑:40
外徑:110
厚度:27
系列:圓柱滾子軸承, 單列, NU 設計
【
手機版 NU408M軸承
點擊量
更新日期:2021/12/28
】
電話:020-36026999 傳真:020-36705678 服務熱線:18924187999 郵箱:[email protected]
| 圓柱滾子軸承, 單列, NU 設計 | ||||||||||||
| 公差 , 參見文字 | ||||||||||||
| 徑向內部間隙, 圓柱型內孔 , 圓錐型內孔, 無密封件 , 參見文字 | ||||||||||||
| 推薦配合 | ||||||||||||
| 軸和軸承座公差 | ||||||||||||
|
|
||||||||||||
| 主要數據尺寸 | 基本負荷額定值 | 疲勞負荷限值 | 額定速度 | 體積 | 型號 | 適宜的斜擋圈 | ||||||
| 動態(tài) | 靜態(tài) | 參照速度 | 限制速度 | 型號 | ||||||||
| d | D | B | C | C0 | Pu | |||||||
|
|
||||||||||||
| mm | kN | kN | r/min | kg | - | - | ||||||
|
|
||||||||||||
| 40 | 110 | 27 | 96,8 | 90 | 11,8 | 7000 | 11000 | 1,40 | NU 408 M | - | ||
NUP324E軸承 9178/9120軸承 32024XU軸承 S6205軸承 36690/36626軸承 N211-E-TVP2軸承 EW1-1/2軸承 K14X20X12軸承 NNCF4914CV軸承 NUP2217ECM軸承 6902LLU軸承 EW308軸承 7240DB軸承 294/630E軸承 GYE35-KRR-B軸承 RCJTY35-TV-VA軸承 NUP2226軸承 RSTO20軸承 22224CCK/W33軸承 H3026軸承