
SKF NU18/1700ECMA/HB1軸承工業(yè)配套用戶請注意:批量采購SKF NU18/1700ECMA/HB1軸承,請至少提前一周與我們聯系,長期批量采購請?zhí)峁┠甓炔少徲媱�,我們將十分感謝您的預見性,我們將提供極為優(yōu)惠的價格以保障您的權益。
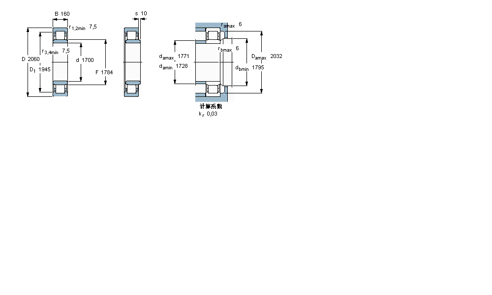
型號:NU18/1700ECMA/HB1
品牌:SKF
內徑:1700
外徑:2060
厚度:160
系列:圓柱滾子軸承, 單列, NU 設計
【
手機版 NU18/1700ECMA/HB1軸承
點擊量
更新日期:2021/12/28
】
電話:020-36026999 傳真:020-36705678 服務熱線:18924187999 郵箱:[email protected]
| 圓柱滾子軸承, 單列, NU 設計 | ||||||||||||
| 公差 , 參見文字 | ||||||||||||
| 徑向內部間隙, 圓柱型內孔 , 圓錐型內孔, 無密封件 , 參見文字 | ||||||||||||
| 推薦配合 | ||||||||||||
| 軸和軸承座公差 | ||||||||||||
|
|
||||||||||||
| 主要數據尺寸 | 基本負荷額定值 | 疲勞負荷限值 | 額定速度 | 體積 | 型號 | 適宜的斜擋圈 | ||||||
| 動態(tài) | 靜態(tài) | 參照速度 | 限制速度 | 型號 | ||||||||
| d | D | B | C | C0 | Pu | |||||||
|
|
||||||||||||
| mm | kN | kN | r/min | kg | - | - | ||||||
|
|
||||||||||||
| 1700 | 2060 | 160 | 7210 | 19300 | 1040 | 160 | 200 | 1150 | NU 18/1700 ECMA/HB1 | - | ||
2586/2523軸承 7007CDT軸承 7019C/DT軸承 RHEY50-TV-VA軸承 5309N軸承 30208-A軸承 61828軸承 7330B/DB軸承 7022A5DB軸承 6804軸承 24084CACK30/W33軸承 23268BK.MB軸承 HH221449軸承 RMEO50軸承 89416M軸承 95474D/95925軸承 W6001軸承 2320K;H2320X軸承 7007AC/DB軸承 NUP2232-E-M1軸承