
NNCF4840CV軸承是SKF公司同時面向工業(yè)配套和維修市場的產品,鼎力晟業(yè)同時代理此兩項業(yè)務,不僅為批量采購的用戶提供優(yōu)惠的SKF NNCF4840CV軸承,同時也為零散采購用戶提供價格優(yōu)惠的及時供貨服務。
型號:NNCF4840CV
品牌:SKF
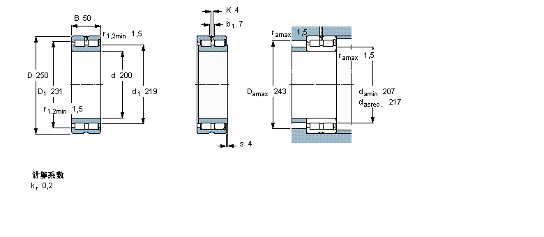
內徑:200
外徑:250
厚度:50
系列:圓柱滾子軸承, 雙列滿裝滾子, 無密封件, 單方向軸向負荷的擋邊
【
手機版 NNCF4840CV軸承
點擊量
更新日期:2021/12/28
】
電話:020-36026999 傳真:020-36705678 服務熱線:18924187999 郵箱:[email protected]
| 圓柱滾子軸承, 雙列滿裝滾子, 無密封件, 單方向軸向負荷的擋邊 | ||||||||||
| 公差 , 參見文字 | ||||||||||
| 徑向內部游隙 , 參見文字 | ||||||||||
| 推薦配合 | ||||||||||
| 軸和軸承座公差 | ||||||||||
|
|
||||||||||
| 主要數據尺寸 | 基本負荷額定值 | 疲勞負荷限值 | 額定速度 | 體積 | 型號 | |||||
| 動態(tài) | 靜態(tài) | 參照速度 | 限制速度 | |||||||
| d | D | B | C | C0 | Pu | |||||
|
|
||||||||||
| mm | kN | kN | r/min | kg | - | |||||
|
|
||||||||||
| 200 | 250 | 50 | 336 | 800 | 80 | 1100 | 1400 | 5,80 | NNCF 4840 CV | |