
SKF進口軸承代理鼎力晟業(yè)為用戶提供高品質的NJ417軸承,無論是工業(yè)配套還是維修市場,用戶都可以在這里找到貨期最短的SKF NJ417軸承,確保您的不間斷生產。
型號:NJ417
品牌:SKF
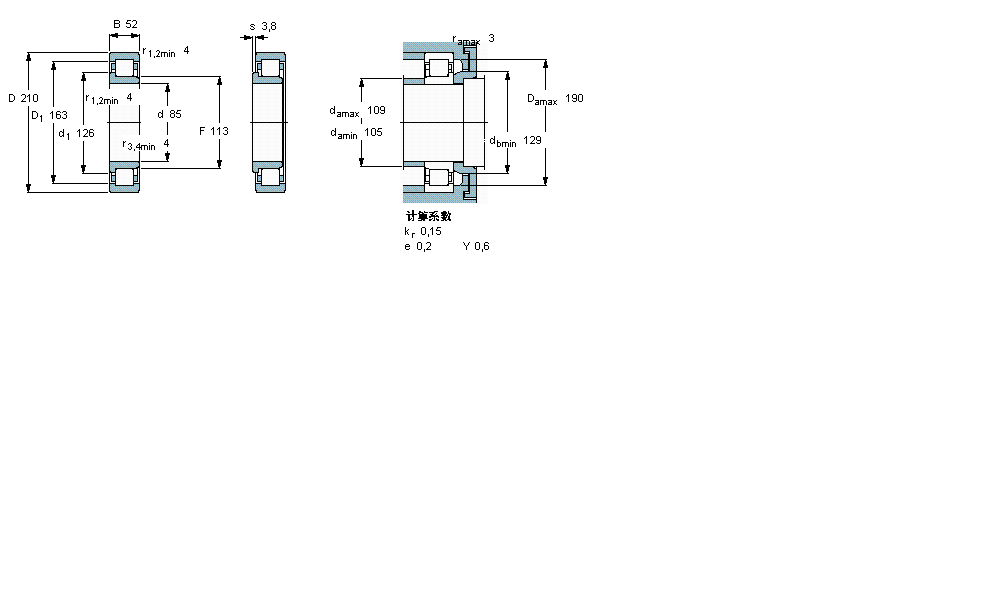
內徑:85
外徑:210
厚度:52
系列:圓柱滾子軸承, 單列, NJ 設計
【
手機版 NJ417軸承
點擊量
更新日期:2021/12/28
】
電話:020-36026999 傳真:020-36705678 服務熱線:18924187999 郵箱:[email protected]
| 圓柱滾子軸承, 單列, NJ 設計 | ||||||||||||
| 公差 , 參見文字 | ||||||||||||
| 徑向內部間隙, 圓柱型內孔 , 圓錐型內孔, 無密封件 , 參見文字 | ||||||||||||
| 推薦配合 | ||||||||||||
| 軸和軸承座公差 | ||||||||||||
|
|
||||||||||||
| 主要數據尺寸 | 基本負荷額定值 | 疲勞負荷限值 | 額定速度 | 體積 | 型號 | 適宜的斜擋圈 | ||||||
| 動態(tài) | 靜態(tài) | 參照速度 | 限制速度 | 型號 | ||||||||
| d | D | B | C | C0 | Pu | |||||||
|
|
||||||||||||
| mm | kN | kN | r/min | kg | - | - | ||||||
|
|
||||||||||||
| 85 | 210 | 52 | 319 | 335 | 39 | 3600 | 4300 | 8,90 | NJ 417 | - | ||
7021C軸承 22356KMBH2356XHG軸承 SL045009PP軸承 53407U軸承 23240BK+H2340軸承 H924043/H924010D軸承 YET211軸承 110TAC20D+L軸承 7324AC/DF軸承 4R5217軸承 7010CDT軸承 GE20TXG3E-2LS軸承 61804-2RSR軸承 6022-2RS軸承 QJ215軸承 29268R軸承 32312J2/Q軸承 RCJY55軸承 7220B/DT軸承 LRT809035軸承