
我們不僅提供SKF NF320ECM軸承,還提供SKF品牌的其他品牌產品,以及SKF NF320ECM軸承的替換型號,萬千種型號,任您選擇。
型號:NF320ECM
品牌:SKF
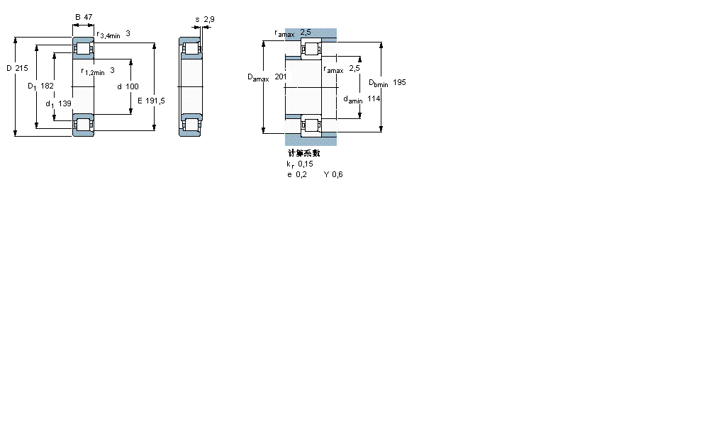
內徑:100
外徑:215
厚度:47
系列:圓柱滾子軸承, 單列, NF 設計
【
手機版 NF320ECM軸承
點擊量
更新日期:2021/12/28
】
電話:020-36026999 傳真:020-36705678 服務熱線:18924187999 郵箱:[email protected]
| 圓柱滾子軸承, 單列, NF 設計 | ||||||||||||
| 公差 , 參見文字 | ||||||||||||
| 徑向內部間隙, 圓柱型內孔 , 圓錐型內孔, 無密封件 , 參見文字 | ||||||||||||
| 推薦配合 | ||||||||||||
| 軸和軸承座公差 | ||||||||||||
|
|
||||||||||||
| 主要數據尺寸 | 基本負荷額定值 | 疲勞負荷限值 | 額定速度 | 體積 | 型號 | 適宜的斜擋圈 | ||||||
| 動態(tài) | 靜態(tài) | 參照速度 | 限制速度 | 型號 | ||||||||
| d | D | B | C | C0 | Pu | * - SKF Explorer 軸承 | ||||||
|
|
||||||||||||
| mm | kN | kN | r/min | kg | - | - | ||||||
|
|
||||||||||||
| 100 | 215 | 47 | 450 | 440 | 51 | 3200 | 3800 | 9,00 | NF 320 ECM * | - | ||
627-2RS軸承 BCE1211-P軸承 ZKLN1545-2RS軸承 6226ZX軸承 5219NR軸承 EGB0303-E40軸承 NCS3016軸承 63/28DDU軸承 K50X55X30軸承 23232B軸承 2×7303BEGAP軸承 NAST35ZZ軸承 47324軸承 4R2628軸承 7202BDT軸承 24148RR軸承 18590/18520軸承 52207軸承 30228-A軸承 ZKLN4075-2RS-2AP軸承