
SKF N28/900MB軸承是鼎力晟業(yè)長期代理的產品,鼎力晟業(yè)與SKF公司具有長期的N28/900MB軸承采購計劃,可以為國內用戶提供足夠數量的SKF N28/900MB軸承,讓您的工廠無憂運轉。
型號:N28/900MB
品牌:SKF
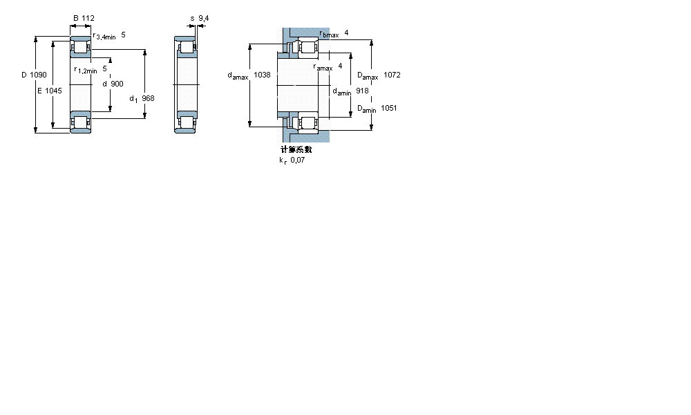
內徑:900
外徑:1090
厚度:112
系列:圓柱滾子軸承, 單列, N 設計
【
手機版 N28/900MB軸承
點擊量
更新日期:2021/12/28
】
電話:020-36026999 傳真:020-36705678 服務熱線:18924187999 郵箱:[email protected]
| 圓柱滾子軸承, 單列, N 設計 | ||||||||||||
| 公差 , 參見文字 | ||||||||||||
| 徑向內部間隙, 圓柱型內孔 , 圓錐型內孔, 無密封件 , 參見文字 | ||||||||||||
| 推薦配合 | ||||||||||||
| 軸和軸承座公差 | ||||||||||||
|
|
||||||||||||
| 主要數據尺寸 | 基本負荷額定值 | 疲勞負荷限值 | 額定速度 | 體積 | 型號 | 適宜的斜擋圈 | ||||||
| 動態(tài) | 靜態(tài) | 參照速度 | 限制速度 | 型號 | ||||||||
| d | D | B | C | C0 | Pu | |||||||
|
|
||||||||||||
| mm | kN | kN | r/min | kg | - | - | ||||||
|
|
||||||||||||
| 900 | 1090 | 112 | 2700 | 7200 | 490 | 450 | 600 | 240 | N 28/900 MB | - | ||
6314LB軸承 BT4B334028G/HA1VA901軸承 27687/27620軸承 6922LLB軸承 B71900-C-2RSD-T-P4S軸承 HM807044/10軸承 SL185005軸承 PASE1-1/2軸承 7220BDB軸承 HS71926-C-T-P4S軸承 2×71892AGMB軸承 54416U軸承 NU420軸承 NA49/22軸承 22256-B-K-MB+H3156X軸承 32936XU軸承 BTM90B/HCP4CDBB軸承 RSTO25軸承 NU2332-E-M1軸承 NUP2313ET軸承