
鼎力晟業(yè)是SKF進口軸承代理,銷售SKF 609/HR11TN軸承,不僅具備價格優(yōu)勢,而且在供貨及時性、供貨能力方面具有比較優(yōu)勢,能在最短的時間內為用戶提供原裝進口的SKF 609/HR11TN軸承。
型號:609/HR11TN
品牌:SKF
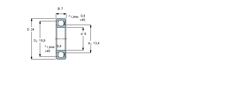
內徑:9
外徑:24
厚度:7
系列:聚合物球軸承,單列球軸承, POM/POM/stainless steel/PA66
【
手機版 609/HR11TN軸承
點擊量
更新日期:2021/12/28
】
電話:020-36026999 傳真:020-36705678 服務熱線:18924187999 郵箱:[email protected]
| 聚合物球軸承,單列球軸承, POM/POM/stainless steel/PA66 | ||||||||
|
|
||||||||
| 主要數據尺寸 | 負荷能力 | 額定速度 | 體積 | 型號 | ||||
| d | D | B | 動態(tài) 1) | 靜態(tài) 2) | 最大 3) | 最大 | - | |
| 1) above 50 °C and/or above 20 % | 3) Consider load carrying | |||||||
| of max speed rating consider | capability reduction according | |||||||
| reduction according to diagram | to diagram | |||||||
| 2) above 50 °C consider | ||||||||
| reduction according to diagram | ||||||||
|
|
||||||||
| mm | kN | r/min | kg | - | ||||
|
|
||||||||
| 9 | 24 | 7 | 0,09 | 0,06 | 2050 | 0,0078 | 609/HR11TN | |
NUP216軸承 23256RHAK+H2356軸承 239/530CAKE4軸承 24064BD1軸承 HJ352軸承 23112RS軸承 672軸承 HJ211軸承 NJ1084軸承 HM89443軸承 315257A軸承 32014X/QDF軸承 BT4B328857/HA4軸承 QJ348-N2-MPA軸承 24068RHAW33軸承 RNA4876軸承 NN3088軸承 JHM522610軸承 7009C軸承 6008-2RS軸承