
241/630ECA/W33軸承是SKF公司同時面向工業(yè)配套和維修市場的產品,鼎力晟業(yè)同時代理此兩項業(yè)務,不僅為批量采購的用戶提供優(yōu)惠的SKF 241/630ECA/W33軸承,同時也為零散采購用戶提供價格優(yōu)惠的及時供貨服務。
型號:241/630ECA/W33
品牌:SKF
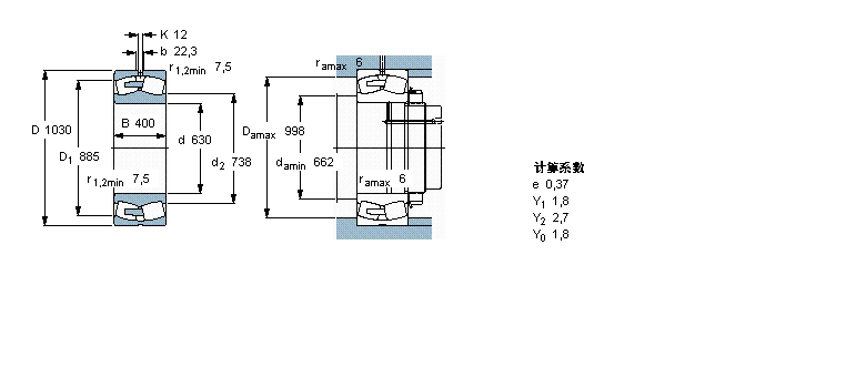
內徑:630
外徑:1030
厚度:400
系列:球面滾子軸承, 圓柱和圓錐孔, 圓柱型內孔, 無密封件
【
手機版 241/630ECA/W33軸承
點擊量
更新日期:2021/12/28
】
電話:020-36026999 傳真:020-36705678 服務熱線:18924187999 郵箱:[email protected]
| 球面滾子軸承, 圓柱和圓錐孔, 圓柱型內孔, 無密封件 | ||||||||||
| 公差 , 參見文字 | ||||||||||
| 徑向內部間隙, 圓柱型內孔 , 圓錐型內孔, 無密封件 , 參見文字 | ||||||||||
| 推薦配合 | ||||||||||
| 軸和軸承座公差 | ||||||||||
|
|
||||||||||
| 主要數據尺寸 | 基本負荷額定值 | 疲勞負荷限值 | 額定速度 | 體積 | 型號 | |||||
| 動態(tài) | 靜態(tài) | 參照速度 | 限制速度 | |||||||
| d | D | B | C | C0 | Pu | |||||
|
|
||||||||||
| mm | kN | kN | r/min | kg | - | |||||
|
|
||||||||||
| 630 | 1030 | 400 | 12700 | 27000 | 1630 | 190 | 280 | 1400 | 241/630 ECA/W33 | |
C3172KM軸承 HS71916-C-T-P4S軸承 5310A-2Z軸承 231SM100-MA軸承 S6300軸承 HS7011-C-T-P4S軸承 239/560-B-K-MB軸承 61901-2Z軸承 26131軸承 07097/07205軸承 7244B/DF軸承 6936ZZS軸承 22217CDK軸承 FYC60FM軸承 Z-565676.ZL-K-C5軸承 32238軸承 NU2228E軸承 32926軸承 22356CAC/W33軸承 K60x75x42軸承