
SKF 232/710CA/W33軸承是鼎力晟業(yè)長期代理的產品,鼎力晟業(yè)與SKF公司具有長期的232/710CA/W33軸承采購計劃,可以為國內用戶提供足夠數量的SKF 232/710CA/W33軸承,讓您的工廠無憂運轉。
型號:232/710CA/W33
品牌:SKF
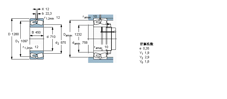
內徑:710
外徑:1280
厚度:450
系列:球面滾子軸承, 圓柱和圓錐孔, 圓柱型內孔, 無密封件
【
手機版 232/710CA/W33軸承
點擊量
更新日期:2021/12/28
】
電話:020-36026999 傳真:020-36705678 服務熱線:18924187999 郵箱:[email protected]
| 球面滾子軸承, 圓柱和圓錐孔, 圓柱型內孔, 無密封件 | ||||||||||
| 公差 , 參見文字 | ||||||||||
| 徑向內部間隙, 圓柱型內孔 , 圓錐型內孔, 無密封件 , 參見文字 | ||||||||||
| 推薦配合 | ||||||||||
| 軸和軸承座公差 | ||||||||||
|
|
||||||||||
| 主要數據尺寸 | 基本負荷額定值 | 疲勞負荷限值 | 額定速度 | 體積 | 型號 | |||||
| 動態(tài) | 靜態(tài) | 參照速度 | 限制速度 | |||||||
| d | D | B | C | C0 | Pu | |||||
|
|
||||||||||
| mm | kN | kN | r/min | kg | - | |||||
|
|
||||||||||
| 710 | 1280 | 450 | 17600 | 34500 | 2000 | 200 | 320 | 2610 | 232/710 CA/W33 | |