
我們不僅提供SKF W619/2-2Z軸承,還提供SKF品牌的其他品牌產品,以及SKF W619/2-2Z軸承的替換型號,萬千種型號,任您選擇。
型號:W619/2-2Z
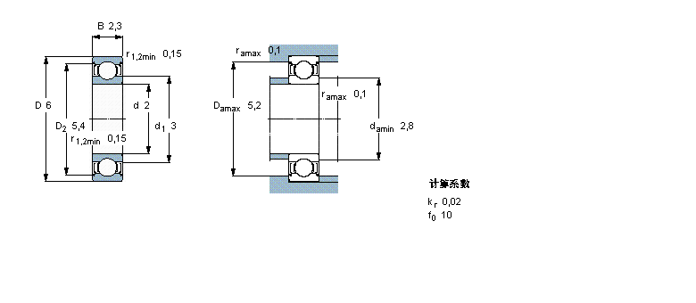
品牌:SKF
內徑:2
外徑:6
厚度:2.3
系列:深溝球軸承, 單列,不銹鋼, 兩面防塵罩
【
手機版 W619/2-2Z軸承
點擊量
更新日期:2021/12/28
】
電話:020-36026999 傳真:020-36705678 服務熱線:18924187999 郵箱:[email protected]
| 深溝球軸承, 單列,不銹鋼, 兩面防塵罩 | ||||||||||
| 公差 , 參見文字 | ||||||||||
| 徑向內部游隙 , 參見文字 | ||||||||||
| 推薦配合 | ||||||||||
| 軸和軸承座公差 | ||||||||||
|
|
||||||||||
| 主要數據尺寸 | 基本負荷額定值 | 疲勞負荷限值 | 額定速度 | 體積 | 型號 | |||||
| 動態(tài) | 靜態(tài) | 參照速度 | 限制速度 | |||||||
| d | D | B | C | C0 | Pu | |||||
|
|
||||||||||
| mm | kN | kN | r/min | kg | - | |||||
|
|
||||||||||
| 2 | 6 | 2,3 | 0,238 | 0,075 | 0,0034 | 180000 | 90000 | 0,00035 | W 619/2-2Z | |
NBXI2030軸承 6900ZZ軸承 GRA200-NPP-B-AS2/V軸承 NJ306ECP軸承 7217CDT軸承 22224CDK軸承 KRV40-PP軸承 K65X73X30軸承 A5144軸承 RTUEY50軸承 NN3052軸承 B7014-C-2RSD-T-P4S軸承 7001DT軸承 B7030E.T軸承 81132軸承 7334BDB軸承 395/394A軸承 627-RS軸承 EN206軸承 SCH1412軸承