
鼎力晟業(yè)是SKF進口軸承代理商,不僅為工業(yè)配套用戶提供SKF VJ-PDNB212軸承,在維修市場也提供足夠的支持,是SKF軸承在國內的優(yōu)質經銷商之一,購買SKF VJ-PDNB212軸承,鼎力晟業(yè)是您放心的選擇。
型號:VJ-PDNB212
品牌:SKF
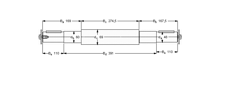
內徑:48
外徑:60
厚度:169
系列:雙軸承單元, 用PDNB單元的軸
【
手機版 VJ-PDNB212軸承
點擊量
更新日期:2021/12/28
】
電話:020-36026999 傳真:020-36705678 服務熱線:18924187999 郵箱:[email protected]
| 雙軸承單元, 用PDNB單元的軸 | ||||||||||
|
|
||||||||||
| 尺寸 | 鍵 | 質量 | 型號 | |||||||
| da | db | Ba | Bb | Bc | Bd | Be | ||||
|
|
||||||||||
| mm | - | kg | - | |||||||
|
|
||||||||||
| 48 | 60 | 169 | 167,5 | 274,5 | 391 | 110 | 14x9x80 | 12,8 | VJ-PDNB 212 | |
HSS7015-E-T-P4S軸承 NAS5040UUNR軸承 7240C/DF軸承 29384R軸承 23130BK+AHX3130軸承 RAY15軸承 23034-E1A-K-M軸承 C4040V軸承 CR32UU軸承 7203AC軸承 GY1008-KRR-B-AS2/V軸承 3309軸承 241/600-B-K30-MB軸承 29464軸承 GE400-DO軸承 RNA4902軸承 609/HR11TN軸承 BS2-2220-2CS5K/VT143軸承 23080-MB軸承 HR33007J軸承