
作為傳統(tǒng)的進口軸承代理商,鼎力晟業(yè)以廣州為基地,全方位展開與SKF公司的合作,為本地SKF SYNT100LW軸承提供強大的貨源支持,并迅速推廣到全國各地,經過多年的努力,SYNT100LW軸承已成為我們的主導產品之一。
型號:SYNT100LW
品牌:SKF
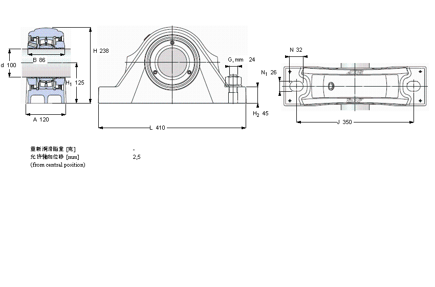
系列:滾子軸承立式軸承座單元, SKF ConCentra, non-locating units, relubrication-free (double-lip seals)
【
手機版 SYNT100LW軸承
點擊量
更新日期:2021/12/28
】
電話:020-36026999 傳真:020-36705678 服務熱線:18924187999 郵箱:[email protected]
| 滾子軸承立式軸承座單元, SKF ConCentra, non-locating units, relubrication-free (double-lip seals) | ||||||||||||
|
|
||||||||||||
| 尺寸 | 尺寸 [英寸] | 疲勞負荷限值 | 限制速度 | 體積 | 型號 | 軸承,基本型號 | ||||||
| 動態(tài) | 靜態(tài) | |||||||||||
| da | A | H | H1 | L | C | C0 | Pu | |||||
|
|
||||||||||||
| mm | kN | kN | r/min | kg | - | - | ||||||
|
|
||||||||||||
| 100 | 120 | 238 | 125 | 410 | 425 | 490 | 49 | 2000 | 26 | SYNT 100 LW | 22220 E | |
313811軸承 NJ2208E.TVP2軸承 LRB242816軸承 22215EAE4軸承 7220AC/DB軸承 HS7003-E-T-P4S軸承 EE333140/333203CD軸承 61905軸承 782/772軸承 PCJT1軸承 7317B/DB軸承 7309BECAP軸承 AZ6013026軸承 28580/28521軸承 RCJTY1-1/4-206軸承 30240軸承 23156CAK+H3156軸承 6212-2RS1軸承 2204軸承 20205-TVP軸承