
作為傳統(tǒng)的進口軸承代理商,鼎力晟業(yè)以廣州為基地,全方位展開與SKF公司的合作,為本地SKF SIQG25ES軸承提供強大的貨源支持,并迅速推廣到全國各地,經過多年的努力,SIQG25ES軸承已成為我們的主導產品之一。
型號:SIQG25ES
品牌:SKF
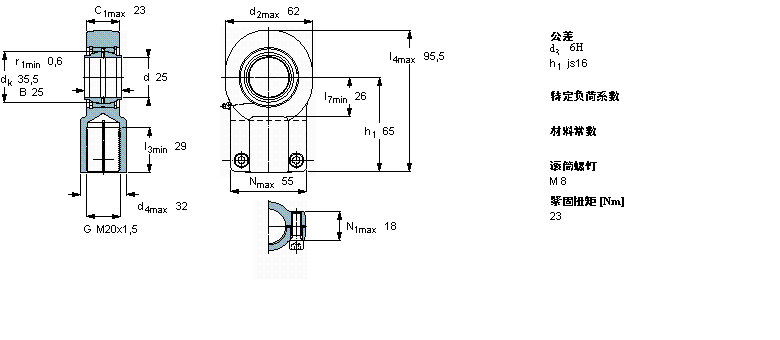
系列:需要維護的桿端, 鋼對鋼,陰螺紋,用于液壓滾筒
【
手機版 SIQG25ES軸承
點擊量
更新日期:2021/12/28
】
電話:020-36026999 傳真:020-36705678 服務熱線:18924187999 郵箱:[email protected]
| 需要維護的桿端, 鋼對鋼,陰螺紋,用于液壓滾筒 | |||||||||||
| 公差 , 參見文字 | |||||||||||
| 徑向內部游隙 , 參見文字 | |||||||||||
|
|
|||||||||||
| 主要數據尺寸 | 角度傾的 | 基本負荷額定值 | 質量 | 型號 | |||||||
| 動態(tài) | 靜態(tài) | 桿端帶右旋螺紋 | |||||||||
| d | d2 | B | d3 | C1 | h1 | ± | C | C0 | |||
| 6H | |||||||||||
|
|
|||||||||||
| mm | 度數 | kN | kg | - | |||||||
|
|
|||||||||||
| 25 | 62 | 25 | M20x1,5 | 23 | 65 | 4 | 48 | 69,5 | 0,62 | SIQG 25 ES | |
6214軸承 7315軸承 PME20-N軸承 7208C/DB軸承 1210ETN9/W64軸承 NP216軸承 HM266449/410軸承 GT35軸承 6203NSE軸承 6203-2RSLTN9/HC5C3WT軸承 7301ADT軸承 7040AC/DB軸承 32238-A-N11CA軸承 23292K.MB軸承 FY55WM軸承 EGF08055-E40軸承 WA674ASSA軸承 4TR610軸承 54305+U305軸承 CR8-1BUUR軸承