
SKF OH30/850HE軸承工業(yè)配套用戶請注意:批量采購SKF OH30/850HE軸承,請至少提前一周與我們聯(lián)系,長期批量采購請?zhí)峁┠甓炔少徲媱�,我們將十分感謝您的預見性,我們將提供極為優(yōu)惠的價格以保障您的權(quán)益。
型號:OH30/850HE
品牌:SKF
系列:緊定套
【
手機版 OH30/850HE軸承
點擊量
更新日期:2021/12/28
】
電話:020-36026999 傳真:020-36705678 服務熱線:18924187999 郵箱:[email protected]
| 緊定套 | ||||||||||
|
|
||||||||||
| 尺寸 | 體積 | 型號 | ||||||||
| 緊定軸套帶螺母 | 鎖定螺母 | 鎖定裝置 | 適宜的液壓 | |||||||
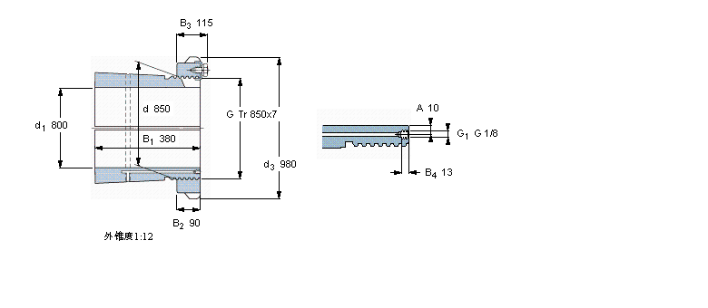
| d1 | d | d3 | B1 | G | 和鎖緊裝置 | 螺母 | ||||
|
|
||||||||||
| mm | kg | - | ||||||||
|
|
||||||||||
| 800 | 850 | 980 | 380 | Tr 850x7 | 341 | OH 30/850 HE | HME 30/850 | MS 30/900-850 | HMV 170 E | |
7906A5DF軸承 6212軸承 6016NR軸承 120KBE030+L軸承 T-E-M244249D/M244210/M244210D軸承 KMK5軸承 32256軸承 BTM70A/P4CDBA軸承 7009AC軸承 NU326ECML軸承 B71916C.O軸承 6317-2RS軸承 61906-2RSR軸承 22310HE4軸承 7208AC/DB軸承 7200BDF軸承 6217ZZ軸承 W6305-2RS1軸承 7207CDB軸承 GIL30-DO軸承