
NU3076ECMP軸承是SKF公司同時面向工業(yè)配套和維修市場的產品,鼎力晟業(yè)同時代理此兩項業(yè)務,不僅為批量采購的用戶提供優(yōu)惠的SKF NU3076ECMP軸承,同時也為零散采購用戶提供價格優(yōu)惠的及時供貨服務。
型號:NU3076ECMP
品牌:SKF
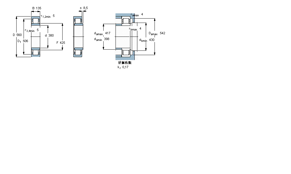
內徑:380
外徑:560
厚度:135
系列:圓柱滾子軸承, 單列, NU 設計
【
手機版 NU3076ECMP軸承
點擊量
更新日期:2021/12/28
】
電話:020-36026999 傳真:020-36705678 服務熱線:18924187999 郵箱:[email protected]
| 圓柱滾子軸承, 單列, NU 設計 | ||||||||||||
| 公差 , 參見文字 | ||||||||||||
| 徑向內部間隙, 圓柱型內孔 , 圓錐型內孔, 無密封件 , 參見文字 | ||||||||||||
| 推薦配合 | ||||||||||||
| 軸和軸承座公差 | ||||||||||||
|
|
||||||||||||
| 主要數據尺寸 | 基本負荷額定值 | 疲勞負荷限值 | 額定速度 | 體積 | 型號 | 適宜的斜擋圈 | ||||||
| 動態(tài) | 靜態(tài) | 參照速度 | 限制速度 | 型號 | ||||||||
| d | D | B | C | C0 | Pu | |||||||
|
|
||||||||||||
| mm | kN | kN | r/min | kg | - | - | ||||||
|
|
||||||||||||
| 380 | 560 | 135 | 2380 | 4750 | 415 | 1000 | 1800 | 115 | NU 3076 ECMP | - | ||
6021ZX軸承 T2EE100軸承 23148CCK/W33軸承 NNU4060KM/W33軸承 30322D軸承 S6200.2RSR.W203B軸承 33118軸承 NN3068K軸承 32912XA軸承 32319軸承 CRBC10020UU軸承 HSS71907-E-T-P4S軸承 CR18922軸承 GE30-KRR-B-FA125.5軸承 TSHE40-N軸承 TA3830Z軸承 6213/VA201軸承 NJ218EM+HJ218E軸承 99537/99101D軸承 HCB7018-E-T-P4S軸承