
SKF NU2305ECJ軸承是鼎力晟業(yè)長期代理的產品,鼎力晟業(yè)與SKF公司具有長期的NU2305ECJ軸承采購計劃,可以為國內用戶提供足夠數量的SKF NU2305ECJ軸承,讓您的工廠無憂運轉。
型號:NU2305ECJ
品牌:SKF
內徑:25
外徑:62
厚度:24
系列:圓柱滾子軸承, 單列, NU 設計
【
手機版 NU2305ECJ軸承
點擊量
更新日期:2021/12/28
】
電話:020-36026999 傳真:020-36705678 服務熱線:18924187999 郵箱:[email protected]
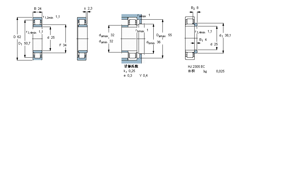
| 圓柱滾子軸承, 單列, NU 設計 | ||||||||||||
| 公差 , 參見文字 | ||||||||||||
| 徑向內部間隙, 圓柱型內孔 , 圓錐型內孔, 無密封件 , 參見文字 | ||||||||||||
| 推薦配合 | ||||||||||||
| 軸和軸承座公差 | ||||||||||||
|
|
||||||||||||
| 主要數據尺寸 | 基本負荷額定值 | 疲勞負荷限值 | 額定速度 | 體積 | 型號 | 適宜的斜擋圈 | ||||||
| 動態(tài) | 靜態(tài) | 參照速度 | 限制速度 | 型號 | ||||||||
| d | D | B | C | C0 | Pu | * - SKF Explorer 軸承 | ||||||
|
|
||||||||||||
| mm | kN | kN | r/min | kg | - | - | ||||||
|
|
||||||||||||
| 25 | 62 | 24 | 64 | 55 | 6,95 | 12000 | 15000 | 0,38 | NU 2305 ECJ * | HJ 2305 EC | ||
71917ACD/HCP4A軸承 7409BGM軸承 NN3060軸承 C485424軸承 5075/5185軸承 6900NR軸承 53409+U409軸承 7226AC/DT軸承 562926軸承 48684/48620軸承 CR8-1BR軸承 7022C/DB軸承 N1010M軸承 BK1712軸承 7317BEP軸承 32322U軸承 22208CDK軸承 32056JR軸承 3304B.TVH軸承 NA6913A軸承