
SKF NU212ECP軸承工業(yè)配套用戶請注意:批量采購SKF NU212ECP軸承,請至少提前一周與我們聯(lián)系,長期批量采購請?zhí)峁┠甓炔少徲媱潱覀儗⑹指兄x您的預見性,我們將提供極為優(yōu)惠的價格以保障您的權益。
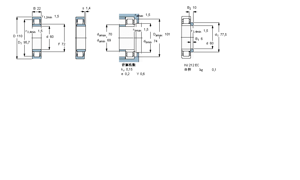
型號:NU212ECP
品牌:SKF
內徑:60
外徑:110
厚度:22
系列:圓柱滾子軸承, 單列, NU 設計
【
手機版 NU212ECP軸承
點擊量
更新日期:2021/12/28
】
電話:020-36026999 傳真:020-36705678 服務熱線:18924187999 郵箱:[email protected]
| 圓柱滾子軸承, 單列, NU 設計 | ||||||||||||
| 公差 , 參見文字 | ||||||||||||
| 徑向內部間隙, 圓柱型內孔 , 圓錐型內孔, 無密封件 , 參見文字 | ||||||||||||
| 推薦配合 | ||||||||||||
| 軸和軸承座公差 | ||||||||||||
|
|
||||||||||||
| 主要數據尺寸 | 基本負荷額定值 | 疲勞負荷限值 | 額定速度 | 體積 | 型號 | 適宜的斜擋圈 | ||||||
| 動態(tài) | 靜態(tài) | 參照速度 | 限制速度 | 型號 | ||||||||
| d | D | B | C | C0 | Pu | * - SKF Explorer 軸承 | ||||||
|
|
||||||||||||
| mm | kN | kN | r/min | kg | - | - | ||||||
|
|
||||||||||||
| 60 | 110 | 22 | 108 | 102 | 13,4 | 6700 | 7500 | 0,81 | NU 212 ECP * | HJ 212 EC | ||
NN3024K軸承 23292CAKE4軸承 239/630-B-MB軸承 1207K;H207X軸承 NNU6928M軸承 6214ZR軸承 29352-E軸承 6308-2NKE軸承 K26X30X22-ZW軸承 B7212-C-2RSD-T-P4S軸承 NNU49/500B/SPW33X軸承 NU218E軸承 23196B軸承 462A/453X軸承 61910軸承 NU2213軸承 1309-K-TVH-C3軸承 6802-2NSE軸承 99600/99098X軸承 GAL35-UK-2RS軸承