
鼎力晟業(yè)是SKF進口軸承代理商,不僅為工業(yè)配套用戶提供SKF NU206ECML軸承,在維修市場也提供足夠的支持,是SKF軸承在國內的優(yōu)質經銷商之一,購買SKF NU206ECML軸承,鼎力晟業(yè)是您放心的選擇。
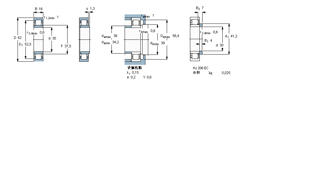
型號:NU206ECML
品牌:SKF
內徑:30
外徑:62
厚度:16
系列:圓柱滾子軸承, 單列, NU 設計
【
手機版 NU206ECML軸承
點擊量
更新日期:2021/12/28
】
電話:020-36026999 傳真:020-36705678 服務熱線:18924187999 郵箱:[email protected]
| 圓柱滾子軸承, 單列, NU 設計 | ||||||||||||
| 公差 , 參見文字 | ||||||||||||
| 徑向內部間隙, 圓柱型內孔 , 圓錐型內孔, 無密封件 , 參見文字 | ||||||||||||
| 推薦配合 | ||||||||||||
| 軸和軸承座公差 | ||||||||||||
|
|
||||||||||||
| 主要數據尺寸 | 基本負荷額定值 | 疲勞負荷限值 | 額定速度 | 體積 | 型號 | 適宜的斜擋圈 | ||||||
| 動態(tài) | 靜態(tài) | 參照速度 | 限制速度 | 型號 | ||||||||
| d | D | B | C | C0 | Pu | * - SKF Explorer 軸承 | ||||||
|
|
||||||||||||
| mm | kN | kN | r/min | kg | - | - | ||||||
|
|
||||||||||||
| 30 | 62 | 16 | 44 | 36,5 | 4,55 | 13000 | 22000 | 0,23 | NU 206 ECML * | HJ 206 EC | ||
A4050/138軸承 562930M軸承 C7006DB/P7軸承 HK4016.2RS軸承 QJ315N2軸承 HCB71904-C-2RSD-T-P4S軸承 BC4-8054/HA4軸承 234715M軸承 GE15ES軸承 HCB71913-E-2RSD-T-P4S軸承 61905-ZN軸承 22228EW33軸承 BL308軸承 CFE30-2UU軸承 32220-A軸承 22334-A-MA-T41A軸承 PCJT20-N-FA125軸承 6306-2RZ軸承 N317-E-M1軸承 N076軸承