
SKF進口軸承代理鼎力晟業(yè)為用戶提供高品質的NJ2322ECP軸承,無論是工業(yè)配套還是維修市場,用戶都可以在這里找到貨期最短的SKF NJ2322ECP軸承,確保您的不間斷生產。
型號:NJ2322ECP
品牌:SKF
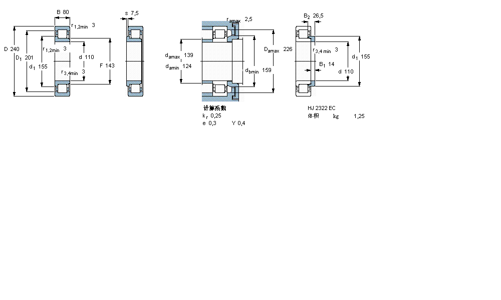
內徑:110
外徑:240
厚度:80
系列:圓柱滾子軸承, 單列, NJ 設計
【
手機版 NJ2322ECP軸承
點擊量
更新日期:2021/12/28
】
電話:020-36026999 傳真:020-36705678 服務熱線:18924187999 郵箱:[email protected]
| 圓柱滾子軸承, 單列, NJ 設計 | ||||||||||||
| 公差 , 參見文字 | ||||||||||||
| 徑向內部間隙, 圓柱型內孔 , 圓錐型內孔, 無密封件 , 參見文字 | ||||||||||||
| 推薦配合 | ||||||||||||
| 軸和軸承座公差 | ||||||||||||
|
|
||||||||||||
| 主要數據尺寸 | 基本負荷額定值 | 疲勞負荷限值 | 額定速度 | 體積 | 型號 | 適宜的斜擋圈 | ||||||
| 動態(tài) | 靜態(tài) | 參照速度 | 限制速度 | 型號 | ||||||||
| d | D | B | C | C0 | Pu | * - SKF Explorer 軸承 | ||||||
|
|
||||||||||||
| mm | kN | kN | r/min | kg | - | - | ||||||
|
|
||||||||||||
| 110 | 240 | 80 | 780 | 900 | 102 | 3000 | 3400 | 18,9 | NJ 2322 ECP * | HJ 2322 EC | ||
BT4-8116E1/C525軸承 N204軸承 22210-E1-K+H310軸承 BT2B331854/HA1軸承 7330BDF軸承 7234B軸承 3213A-2Z/MT33軸承 54306軸承 21311-E1-K+AHX311軸承 BT4-8031E/C800軸承 7217AC/DB軸承 RSF-4944E4軸承 AZ9016026軸承 1209K;H209X軸承 BS2-2313-2CSK/VT143軸承 JM714249A/JM714210軸承 6314-Z軸承 RCJT2-7/16軸承 BC4-8013/HA4軸承 RS-4880E4軸承