
作為傳統的進口軸承代理商,鼎力晟業(yè)以廣州為基地,全方位展開與SKF公司的合作,為本地SKF NJ2309ECML軸承提供強大的貨源支持,并迅速推廣到全國各地,經過多年的努力,NJ2309ECML軸承已成為我們的主導產品之一。
型號:NJ2309ECML
品牌:SKF
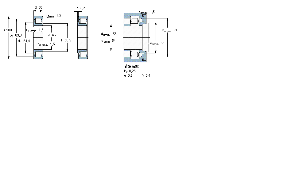
內徑:45
外徑:100
厚度:36
系列:圓柱滾子軸承, 單列, NJ 設計
【
手機版 NJ2309ECML軸承
點擊量
更新日期:2021/12/28
】
電話:020-36026999 傳真:020-36705678 服務熱線:18924187999 郵箱:[email protected]
| 圓柱滾子軸承, 單列, NJ 設計 | ||||||||||||
| 公差 , 參見文字 | ||||||||||||
| 徑向內部間隙, 圓柱型內孔 , 圓錐型內孔, 無密封件 , 參見文字 | ||||||||||||
| 推薦配合 | ||||||||||||
| 軸和軸承座公差 | ||||||||||||
|
|
||||||||||||
| 主要數據尺寸 | 基本負荷額定值 | 疲勞負荷限值 | 額定速度 | 體積 | 型號 | 適宜的斜擋圈 | ||||||
| 動態(tài) | 靜態(tài) | 參照速度 | 限制速度 | 型號 | ||||||||
| d | D | B | C | C0 | Pu | * - SKF Explorer 軸承 | ||||||
|
|
||||||||||||
| mm | kN | kN | r/min | kg | - | - | ||||||
|
|
||||||||||||
| 45 | 100 | 36 | 160 | 153 | 20 | 7500 | 13000 | 1,45 | NJ 2309 ECML * | - | ||
430318U軸承 7330C/DT軸承 HH221440/HH221410D軸承 HSS71903E.T.P4S.UL軸承 RLM2225軸承 7320BDF軸承 22213EW33K軸承 N1008KTNHA/HC5SP軸承 AHX3288軸承 NUP412ECM軸承 OH3972HE軸承 368A/362AX軸承 634-2RZ軸承 BAM116軸承 B7021-C-T-P4S軸承 EGBZ0706-E40軸承 7200ACD軸承 RCJY45-TV-VA軸承 636VV軸承 NAG4906軸承