
SKF NJ2208ECML軸承工業(yè)配套用戶請注意:批量采購SKF NJ2208ECML軸承,請至少提前一周與我們聯(lián)系,長期批量采購請?zhí)峁┠甓炔少徲媱�,我們將十分感謝您的預見性,我們將提供極為優(yōu)惠的價格以保障您的權益。
型號:NJ2208ECML
品牌:SKF
內徑:40
外徑:80
厚度:23
系列:圓柱滾子軸承, 單列, NJ 設計
【
手機版 NJ2208ECML軸承
點擊量
更新日期:2021/12/28
】
電話:020-36026999 傳真:020-36705678 服務熱線:18924187999 郵箱:[email protected]
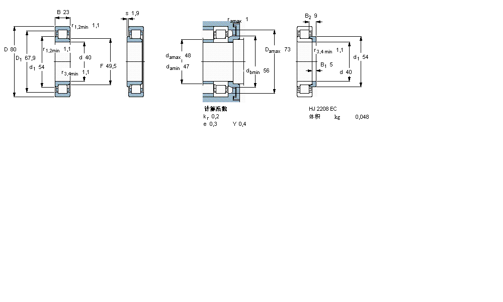
| 圓柱滾子軸承, 單列, NJ 設計 | ||||||||||||
| 公差 , 參見文字 | ||||||||||||
| 徑向內部間隙, 圓柱型內孔 , 圓錐型內孔, 無密封件 , 參見文字 | ||||||||||||
| 推薦配合 | ||||||||||||
| 軸和軸承座公差 | ||||||||||||
|
|
||||||||||||
| 主要數據尺寸 | 基本負荷額定值 | 疲勞負荷限值 | 額定速度 | 體積 | 型號 | 適宜的斜擋圈 | ||||||
| 動態(tài) | 靜態(tài) | 參照速度 | 限制速度 | 型號 | ||||||||
| d | D | B | C | C0 | Pu | * - SKF Explorer 軸承 | ||||||
|
|
||||||||||||
| mm | kN | kN | r/min | kg | - | - | ||||||
|
|
||||||||||||
| 40 | 80 | 23 | 81,5 | 75 | 9,65 | 9500 | 16000 | 0,58 | NJ 2208 ECML * | HJ 2208 EC | ||
7240DT軸承 696Z軸承 NNF5008ADB-2LSV軸承 BL205zz軸承 6901-2NSE軸承 NNU40/900M/W33軸承 61916-2Z軸承 6216-RS1軸承 YAR208-109-2F軸承 7319CDT軸承 N1916-K-M1-SP軸承 24122ESK30.TVPB軸承 6009軸承 HCS71908C.T.P4S.UL軸承 SYNT50L軸承 N2304軸承 HCB7038-C-T-P4S軸承 239/800-B-MB軸承 RNA4907軸承 21319CK+H319X軸承