
作為傳統(tǒng)的進口軸承代理商,鼎力晟業(yè)以廣州為基地,全方位展開與SKF公司的合作,為本地SKF N306ECP軸承提供強大的貨源支持,并迅速推廣到全國各地,經過多年的努力,N306ECP軸承已成為我們的主導產品之一。
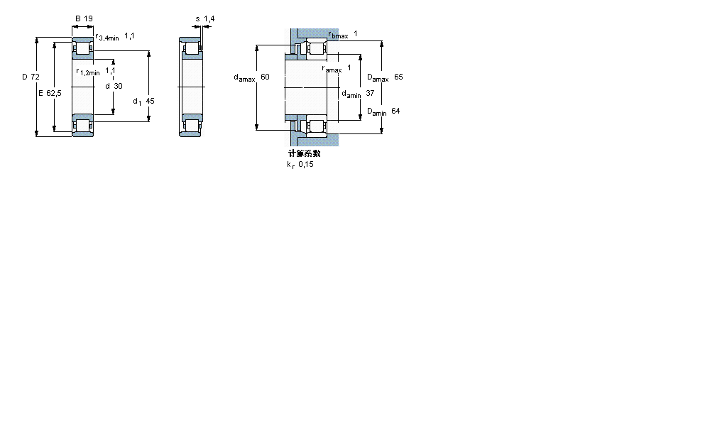
型號:N306ECP
品牌:SKF
內徑:30
外徑:72
厚度:19
系列:圓柱滾子軸承, 單列, N 設計
【
手機版 N306ECP軸承
點擊量
更新日期:2021/12/28
】
電話:020-36026999 傳真:020-36705678 服務熱線:18924187999 郵箱:[email protected]
| 圓柱滾子軸承, 單列, N 設計 | ||||||||||||
| 公差 , 參見文字 | ||||||||||||
| 徑向內部間隙, 圓柱型內孔 , 圓錐型內孔, 無密封件 , 參見文字 | ||||||||||||
| 推薦配合 | ||||||||||||
| 軸和軸承座公差 | ||||||||||||
|
|
||||||||||||
| 主要數據尺寸 | 基本負荷額定值 | 疲勞負荷限值 | 額定速度 | 體積 | 型號 | 適宜的斜擋圈 | ||||||
| 動態(tài) | 靜態(tài) | 參照速度 | 限制速度 | 型號 | ||||||||
| d | D | B | C | C0 | Pu | * - SKF Explorer 軸承 | ||||||
|
|
||||||||||||
| mm | kN | kN | r/min | kg | - | - | ||||||
|
|
||||||||||||
| 30 | 72 | 19 | 58,5 | 48 | 6,2 | 11000 | 12000 | 0,36 | N 306 ECP * | - | ||
2213EK軸承 EW1-3/4軸承 24032AXW33K30軸承 7020ACD/HCP4A軸承 7203DF軸承 LM361649A/610軸承 23132EASK.M軸承 QJ322N2軸承 YRT80TN軸承 5204ZZ軸承 SYH2.7/16TF軸承 SCE248軸承 HM89446A/HM89410軸承 62/32N軸承 LFR5301-10-2Z軸承 6207RU軸承 30315DJR軸承 54406U軸承 W618/2軸承 3201A-2RS1TN9/MT33軸承