
我們不僅提供SKF 350998軸承,還提供SKF品牌的其他品牌產品,以及SKF 350998軸承的替換型號,萬千種型號,任您選擇。
型號:350998
品牌:SKF
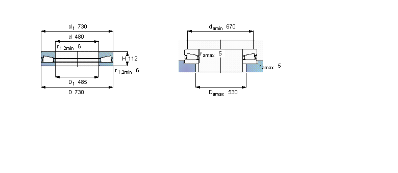
內徑:480
外徑:730
厚度:730
系列:圓錐滾子推力軸承, 單向
【
手機版 350998軸承
點擊量
更新日期:2021/12/28
】
電話:020-36026999 傳真:020-36705678 服務熱線:18924187999 郵箱:[email protected]
| 圓錐滾子推力軸承, 單向 | ||||||||||
| 公差 , 參見文字 | ||||||||||
| 推薦配合 | ||||||||||
| 軸和軸承座公差 | ||||||||||
|
|
||||||||||
| 主要數據尺寸 | 基本負荷額定值 | 疲勞負荷限值 | 最小負荷系數 | 體積 | 型號 | |||||
| 動態(tài) | 靜態(tài) | |||||||||
| d | D | d1 | H | C | C0 | Pu | A | |||
|
|
||||||||||
| mm | kN | kN | - | kg | - | |||||
|
|
||||||||||
| 480 | 730 | 730 | 112 | 3580 | 19000 | 1180 | 29 | 180 | 350998 | |
N228ECM軸承 ZARN4075-L-TV軸承 1322K.M.C3軸承 HSS71903C.T.P4S.UL軸承 135-TVH軸承 47686軸承 7940CDF軸承 CF10VBUUR軸承 SYL35TH軸承 JHM33449軸承 6205-C-2HRS軸承 NU2209軸承 46224A軸承 RCT39-A軸承 7311AC/DT軸承 7204CDT軸承 46T32228JR/125.5軸承 20326-MB軸承 JHM318448軸承 330661E/C475軸承