
購買SKF 232/530CAK/W33軸承,及232/530CAK/W33軸承同系列產品,或者SKF公司其他產品,請聯(lián)系SKF進口軸承代理-鼎力晟業(yè),我們提供準時高效的服務。
型號:232/530CAK/W33
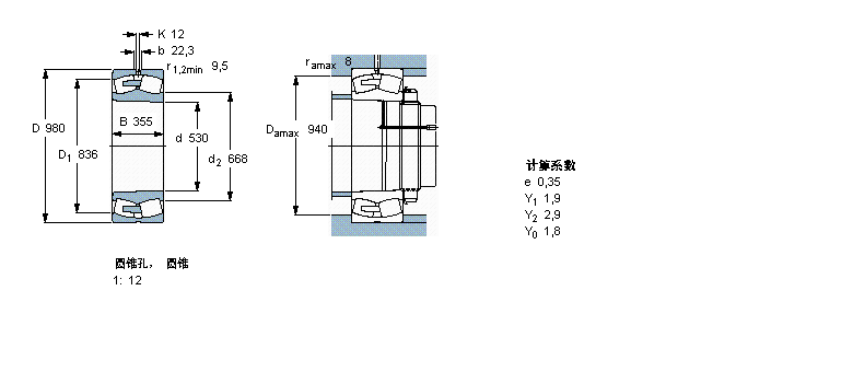
品牌:SKF
內徑:530
外徑:980
厚度:355
系列:球面滾子軸承, 圓柱和圓錐孔, 圓錐型內孔, 無密封件
【
手機版 232/530CAK/W33軸承
點擊量
更新日期:2021/12/28
】
電話:020-36026999 傳真:020-36705678 服務熱線:18924187999 郵箱:[email protected]
| 球面滾子軸承, 圓柱和圓錐孔, 圓錐型內孔, 無密封件 | ||||||||||
| 公差 , 參見文字 | ||||||||||
| 徑向內部間隙, 圓柱型內孔 , 圓錐型內孔, 無密封件 , 參見文字 | ||||||||||
| 推薦配合 | ||||||||||
| 軸和軸承座公差 | ||||||||||
|
|
||||||||||
| 主要數據尺寸 | 基本負荷額定值 | 疲勞負荷限值 | 額定速度 | 體積 | 型號 | |||||
| 動態(tài) | 靜態(tài) | 參照速度 | 限制速度 | |||||||
| d | D | B | C | C0 | Pu | |||||
|
|
||||||||||
| mm | kN | kN | r/min | kg | - | |||||
|
|
||||||||||
| 530 | 980 | 355 | 11100 | 20400 | 1220 | 300 | 480 | 1165 | 232/530 CAK/W33 | |
23264K.MB+AH3264G軸承 120FC82575C軸承 TAF-202820軸承 RS-5030軸承 22319BK軸承 SD3136SG軸承 NN3024K軸承 240/1120CAK30E4軸承 6032-RZ軸承 4T-420/414軸承 NJ307ECP軸承 6004ZZE軸承 NJ2222軸承 N305EC軸承 3212A-2RS1TN9/MT33軸承 XW3-1/8軸承 2221K軸承 E33026J軸承 AZK6510011軸承 353038AU軸承