
訂購SKF 2212ETN9軸承,請隨時與我們聯(lián)系,我們將根據匯率的波動為您提供實時準確的價格,確保以最優(yōu)惠的價格為您提供優(yōu)質的SKF 2212ETN9軸承。
型號:2212ETN9
品牌:SKF
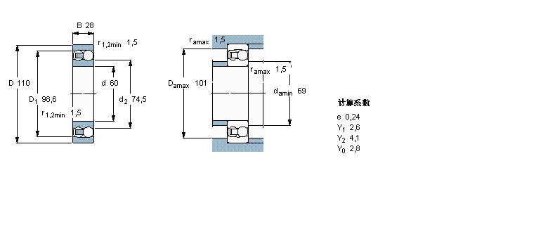
內徑:60
外徑:110
厚度:28
系列:自調心球軸承, 圓柱孔和圓錐孔, 圓柱型內孔, 無密封件
【
手機版 2212ETN9軸承
點擊量
更新日期:2021/12/28
】
電話:020-36026999 傳真:020-36705678 服務熱線:18924187999 郵箱:[email protected]
| 自調心球軸承, 圓柱孔和圓錐孔, 圓柱型內孔, 無密封件 | ||||||||||
| 公差 , 參見文字 | ||||||||||
| 徑向內部游隙 , 參見文字 | ||||||||||
| 推薦配合 | ||||||||||
| 軸和軸承座公差 | ||||||||||
|
|
||||||||||
| 主要數據尺寸 | 基本負荷額定值 | 疲勞負荷限值 | 額定速度 | 體積 | 型號 | |||||
| 動態(tài) | 靜態(tài) | 參照速度 | 限制速度 | |||||||
| d | D | B | C | C0 | Pu | |||||
|
|
||||||||||
| mm | kN | kN | r/min | kg | - | |||||
|
|
||||||||||
| 60 | 110 | 28 | 48,8 | 17 | 0,88 | 11000 | 8000 | 1,10 | 2212 ETN9 | |
FTO9軸承 SAF1516軸承 IR65x72x25軸承 NN3072K軸承 23220B軸承 69/1.5軸承 AZK16020012軸承 BA218Z軸承 6006軸承 GBRI162820U軸承 22320RHKW33軸承 23144BK.MB軸承 GE80-DO軸承 M224748/M224710軸承 4T-21075/21212軸承 N2222軸承 C4908V軸承 23222CE4軸承 AOH3060軸承 HC7001-E-T-P4S軸承