
SKF 21315EK+H315軸承是鼎力晟業(yè)長期代理的產品,鼎力晟業(yè)與SKF公司具有長期的21315EK+H315軸承采購計劃,可以為國內用戶提供足夠數量的SKF 21315EK+H315軸承,讓您的工廠無憂運轉。
型號:21315EK+H315
品牌:SKF
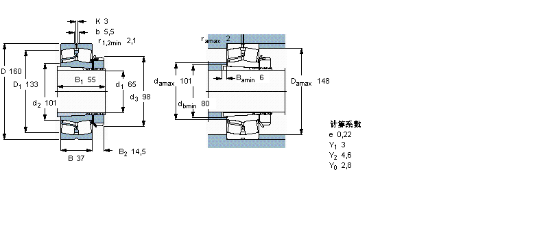
內徑:65
外徑:160
厚度:37
系列:球面滾子軸承, 帶緊定套的
【
手機版 21315EK+H315軸承
點擊量
更新日期:2021/12/28
】
電話:020-36026999 傳真:020-36705678 服務熱線:18924187999 郵箱:[email protected]
| 球面滾子軸承, 帶緊定套的 | ||||||||||
| 公差 , 參見文字 | ||||||||||
| 徑向內部游隙 , 參見文字 | ||||||||||
| 推薦配合 | ||||||||||
| 軸和軸承座公差 | ||||||||||
|
|
||||||||||
| 主要數據尺寸 | 基本負荷額定值 | 疲勞負荷限值 | 額定速度 | 體積 | 型號 | |||||
| 動態(tài) | 靜態(tài) | 參照速度 | 限制速度 | 軸承 + 緊定套 | ||||||
| d1 | D | B | C | C0 | Pu | |||||
| * - SKF Explorer 軸承 | ||||||||||
|
|
||||||||||
| mm | kN | kN | r/min | kg | - | |||||
|
|
||||||||||
| 65 | 160 | 37 | 285 | 325 | 34,5 | 4000 | 5600 | 4,50 | 21315 EK + H 315 * | |
22317HK軸承 7317B軸承 4T-HM88542/HM88510軸承 GE30-KRR-B-FA164軸承 RA156Z軸承 HC71916-C-T-P4S軸承 7215AC/DB軸承 C2230K+H3130L軸承 UCF204軸承 5201A-2ZTN9軸承 6203ZE軸承 Z-565678.ZL-K-C5軸承 2789/2735X軸承 CF30-2UU軸承 81244-M軸承 NAFW203732軸承 23072CAKE4軸承 NU1040軸承 NURT50-1軸承 RCJTY25-JIS軸承