
作為傳統(tǒng)的進口軸承代理商,鼎力晟業(yè)以廣州為基地,全方位展開與SKF公司的合作,為本地SKF 1308ETN9軸承提供強大的貨源支持,并迅速推廣到全國各地,經過多年的努力,1308ETN9軸承已成為我們的主導產品之一。
型號:1308ETN9
品牌:SKF
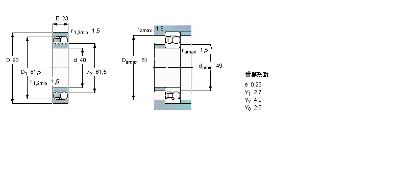
內徑:40
外徑:90
厚度:23
系列:自調心球軸承, 圓柱孔和圓錐孔, 圓柱型內孔, 無密封件
【
手機版 1308ETN9軸承
點擊量
更新日期:2021/12/28
】
電話:020-36026999 傳真:020-36705678 服務熱線:18924187999 郵箱:[email protected]
| 自調心球軸承, 圓柱孔和圓錐孔, 圓柱型內孔, 無密封件 | ||||||||||
| 公差 , 參見文字 | ||||||||||
| 徑向內部游隙 , 參見文字 | ||||||||||
| 推薦配合 | ||||||||||
| 軸和軸承座公差 | ||||||||||
|
|
||||||||||
| 主要數據尺寸 | 基本負荷額定值 | 疲勞負荷限值 | 額定速度 | 體積 | 型號 | |||||
| 動態(tài) | 靜態(tài) | 參照速度 | 限制速度 | |||||||
| d | D | B | C | C0 | Pu | |||||
|
|
||||||||||
| mm | kN | kN | r/min | kg | - | |||||
|
|
||||||||||
| 40 | 90 | 23 | 33,8 | 11,2 | 0,57 | 14000 | 9500 | 0,68 | 1308 ETN9 | |
22324RHR軸承 7003DT軸承 28880/28820軸承 PCZ0912M軸承 24030BD1軸承 K50×58×25軸承 NU303E.TVP2軸承 GAL70-DO-2RS軸承 7313CDT軸承 BCE89-P軸承 RNA5914軸承 D13軸承 SA1-40BSS軸承 TA5540Z軸承 7002CD/DF軸承 7322軸承 B7002-E-T-P4S軸承 313450B軸承 30203JR軸承 NU2308ET軸承