

訂購SKF W634-2Z軸承,請隨時與我們聯系,我們將根據匯率的波動為您提供實時準確的價格,確保以最優(yōu)惠的價格為您提供優(yōu)質的SKF W634-2Z軸承。
型號:W634-2Z
品牌:SKF
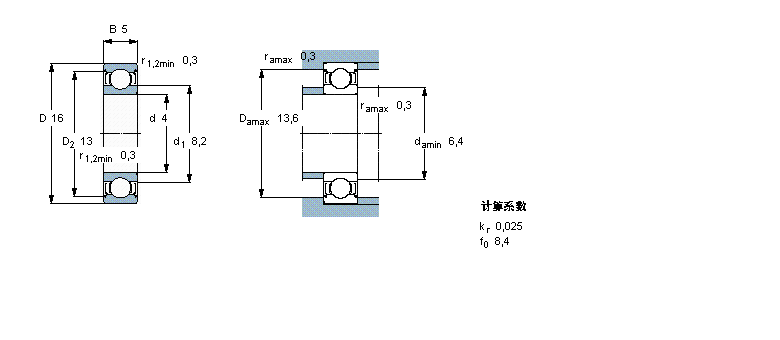
內徑:4
外徑:16
厚度:5
系列:深溝球軸承, 單列,不銹鋼, 兩面防塵罩
【更新日期:2016/8/3 電腦版 W634-2Z軸承】
| 深溝球軸承, 單列,不銹鋼, 兩面防塵罩 | ||||||||||
| 公差 , 參見文字 | ||||||||||
| 徑向內部游隙 , 參見文字 | ||||||||||
| 推薦配合 | ||||||||||
| 軸和軸承座公差 | ||||||||||
|
|
||||||||||
| 主要數據尺寸 | 基本負荷額定值 | 疲勞負荷限值 | 額定速度 | 體積 | 型號 | |||||
| 動態(tài) | 靜態(tài) | 參照速度 | 限制速度 | |||||||
| d | D | B | C | C0 | Pu | |||||
|
|
||||||||||
| mm | kN | kN | r/min | kg | - | |||||
|
|
||||||||||
| 4 | 16 | 5 | 0,923 | 0,365 | 0,016 | 95000 | 48000 | 0,0054 | W 634-2Z | |