

磐固晟是SKF進口軸承經銷 ,銷售SKF W619/7-2Z軸承,不僅具備價格優(yōu)勢,而且在供貨及時性、供貨能力方面具有比較優(yōu)勢,能在最短的時間內為用戶提供原裝進口的SKF W619/7-2Z軸承。
型號:W619/7-2Z
品牌:SKF
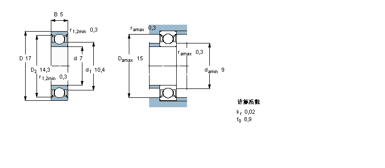
內徑:7
外徑:17
厚度:5
系列:深溝球軸承, 單列,不銹鋼, 兩面防塵罩
【更新日期:2016/8/3 電腦版 W619/7-2Z軸承】
| 深溝球軸承, 單列,不銹鋼, 兩面防塵罩 | ||||||||||
| 公差 , 參見文字 | ||||||||||
| 徑向內部游隙 , 參見文字 | ||||||||||
| 推薦配合 | ||||||||||
| 軸和軸承座公差 | ||||||||||
|
|
||||||||||
| 主要數據尺寸 | 基本負荷額定值 | 疲勞負荷限值 | 額定速度 | 體積 | 型號 | |||||
| 動態(tài) | 靜態(tài) | 參照速度 | 限制速度 | |||||||
| d | D | B | C | C0 | Pu | |||||
|
|
||||||||||
| mm | kN | kN | r/min | kg | - | |||||
|
|
||||||||||
| 7 | 17 | 5 | 1,24 | 0,54 | 0,024 | 90000 | 45000 | 0,0050 | W 619/7-2Z | |