

我們不僅提供SKF W13軸承,還提供SKF品牌的其他品牌產品,以及SKF W13軸承的替換型號,萬千種型號,任您選擇。
型號:W13
品牌:SKF
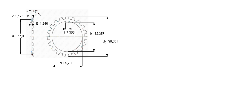
內徑:65.735
外徑:90.881
厚度:1.346
系列:W鎖緊墊圈, 英制尺寸
【更新日期:2016/8/3 電腦版 W13軸承】
| W鎖緊墊圈, 英制尺寸 | ||||||
|
|
||||||
| 尺寸 | 體積 | 型號 | ||||
| 鎖緊墊圈 | 適宜的鎖定螺母 | |||||
| d | d2 | B | ||||
|
|
||||||
| mm | kg | - | ||||
|
|
||||||
| 65,735 | 90,881 | 1,346 | 0,027 | W 13 | N 13 | |