

磐固晟是SKF進口軸承經(jīng)銷 商,不僅為工業(yè)配套用戶提供SKF W10軸承,在維修市場也提供足夠的支持,是SKF軸承在國內的優(yōu)質經(jīng)銷商之一,購買SKF W10軸承,磐固晟是您放心的選擇。
型號:W10
品牌:SKF
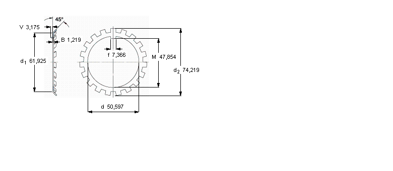
內徑:50.597
外徑:74.219
厚度:1.219
系列:W鎖緊墊圈, 英制尺寸
【更新日期:2016/8/3 電腦版 W10軸承】
| W鎖緊墊圈, 英制尺寸 | ||||||
|
|
||||||
| 尺寸 | 體積 | 型號 | ||||
| 鎖緊墊圈 | 適宜的鎖定螺母 | |||||
| d | d2 | B | ||||
|
|
||||||
| mm | kg | - | ||||
|
|
||||||
| 50,597 | 74,219 | 1,219 | 0,02 | W 10 | N 10 | |