

磐固晟是SKF進口軸承經銷 商,不僅為工業(yè)配套用戶提供SKF W00軸承,在維修市場也提供足夠的支持,是SKF軸承在國內的優(yōu)質經銷商之一,購買SKF W00軸承,磐固晟是您放心的選擇。
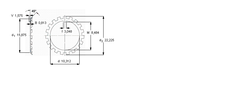
型號:W00
品牌:SKF
內徑:10.312
外徑:22.225
厚度:0.813
系列:W鎖緊墊圈, 英制尺寸
【更新日期:2016/8/3 電腦版 W00軸承】
| W鎖緊墊圈, 英制尺寸 | ||||||
|
|
||||||
| 尺寸 | 體積 | 型號 | ||||
| 鎖緊墊圈 | 適宜的鎖定螺母 | |||||
| d | d2 | B | ||||
|
|
||||||
| mm | kg | - | ||||
|
|
||||||
| 10,312 | 22,225 | 0,813 | 0,002 | W 00 | N 00 | |