

作為傳統(tǒng)的進口軸承經銷 商,磐固晟以廣州為基地,全方位展開與SKF公司的合作,為本地SKF SYNT90LTS軸承提供強大的貨源支持,并迅速推廣到全國各地,經過多年的努力,SYNT90LTS軸承已成為我們的主導產品之一。
型號:SYNT90LTS
品牌:SKF
系列:滾子軸承立式軸承座單元, SKF ConCentra, non-locating units, labyrinth seals
【更新日期:2016/8/3 電腦版 SYNT90LTS軸承】
| 滾子軸承立式軸承座單元, SKF ConCentra, non-locating units, labyrinth seals | ||||||||||||
|
|
||||||||||||
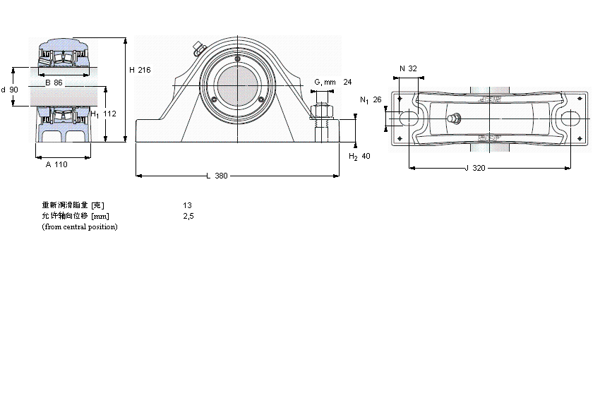
| 尺寸 | 尺寸 [英寸] | 疲勞負荷限值 | 限制速度 | 體積 | 型號 | 軸承,基本型號 | ||||||
| 動態(tài) | 靜態(tài) | |||||||||||
| da | A | H | H1 | L | C | C0 | Pu | |||||
|
|
||||||||||||
| mm | kN | kN | r/min | kg | - | - | ||||||
|
|
||||||||||||
| 90 | 110 | 216 | 112 | 380 | 325 | 375 | 39 | 2800 | 21 | SYNT 90 LTS | 22218 E | |