

SKF SYNT80FW軸承工業(yè)配套用戶請注意:批量采購SKF SYNT80FW軸承,請至少提前一周與我們聯(lián)系,長期批量采購請?zhí)峁┠甓炔少徲媱�,我們將十分感謝您的預(yù)見性,我們將提供極為優(yōu)惠的價格以保障您的權(quán)益。
型號:SYNT80FW
品牌:SKF
系列:滾子軸承立式軸承座單元, SKF ConCentra, locating units, relubrication-free (double-lip seals)
【更新日期:2016/8/3 電腦版 SYNT80FW軸承】
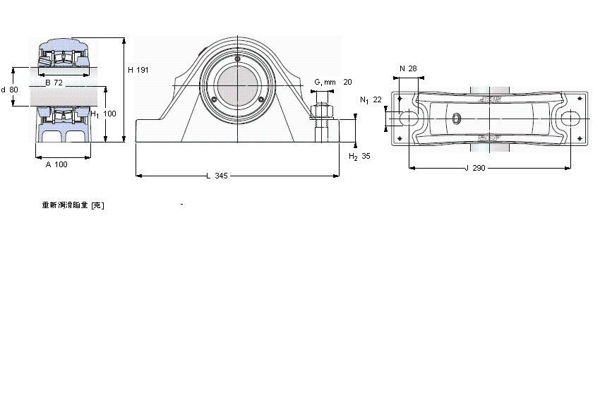
| 滾子軸承立式軸承座單元, SKF ConCentra, locating units, relubrication-free (double-lip seals) | ||||||||||||
|
|
||||||||||||
| 尺寸 | 尺寸 [英寸] | 疲勞負(fù)荷限值 | 限制速度 | 體積 | 型號 | 軸承,基本型號 | ||||||
| 動態(tài) | 靜態(tài) | |||||||||||
| da | A | H | H1 | L | C | C0 | Pu | |||||
|
|
||||||||||||
| mm | kN | kN | r/min | kg | - | - | ||||||
|
|
||||||||||||
| 80 | 100 | 191 | 100 | 345 | 236 | 270 | 29 | 2300 | 20 | SYNT 80 FW | 22216 E | |