

SYNT100FTF軸承是SKF公司同時面向工業(yè)配套和維修市場的產品,磐固晟同時經(jīng)銷 此兩項業(yè)務,不僅為批量采購的用戶提供優(yōu)惠的SKF SYNT100FTF軸承,同時也為零散采購用戶提供價格優(yōu)惠的及時供貨服務。
型號:SYNT100FTF
品牌:SKF
系列:滾子軸承立式軸承座單元, SKF ConCentra, locating units, radial shaft seals
【更新日期:2016/8/3 電腦版 SYNT100FTF軸承】
| 滾子軸承立式軸承座單元, SKF ConCentra, locating units, radial shaft seals | ||||||||||||
|
|
||||||||||||
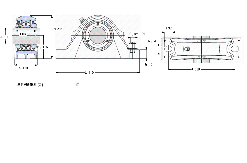
| 尺寸 | 尺寸 [英寸] | 疲勞負荷限值 | 限制速度 | 體積 | 型號 | 軸承,基本型號 | ||||||
| 動態(tài) | 靜態(tài) | |||||||||||
| da | A | H | H1 | L | C | C0 | Pu | |||||
|
|
||||||||||||
| mm | kN | kN | r/min | kg | - | - | ||||||
|
|
||||||||||||
| 100 | 120 | 238 | 125 | 410 | 425 | 490 | 49 | 1000 | 26 | SYNT 100 FTF | 22220 E | |