

磐固晟是SKF進口軸承經(jīng)銷 商,不僅為工業(yè)配套用戶提供SKF PDNB216軸承,在維修市場也提供足夠的支持,是SKF軸承在國內的優(yōu)質經(jīng)銷商之一,購買SKF PDNB216軸承,磐固晟是您放心的選擇。
型號:PDNB216
品牌:SKF
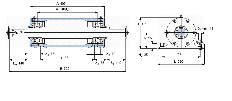
內徑:70
外徑:792
厚度:185
系列:雙軸承單元, PDNB單元
【更新日期:2016/8/3 電腦版 PDNB216軸承】
| 雙軸承單元, PDNB單元 | ||||||||||
|
|
||||||||||
| 尺寸 | 整體軸承 | 質量 | 型號 | |||||||
| Key402 | 定位軸承 | 軸承單元 | ||||||||
| db | B | H | H1 | L | ||||||
|
|
||||||||||
| mm | - | kg | - | |||||||
|
|
||||||||||
| 70 | 792 | 185 | 95 | 280 | 6216 | 6216 | - | 67 | PDNB 216 | |