

SKF進口軸承經銷 磐固晟為用戶提供高品質的OH32/710H軸承,無論是工業(yè)配套還是維修市場,用戶都可以在這里找到貨期最短的SKF OH32/710H軸承,確保您的不間斷生產。
型號:OH32/710H
品牌:SKF
系列:緊定套
【更新日期:2016/8/3 電腦版 OH32/710H軸承】
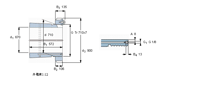
| 緊定套 | ||||||||||
|
|
||||||||||
| 尺寸 | 體積 | 型號 | ||||||||
| 緊定軸套帶螺母 | 鎖定螺母 | 鎖定裝置 | 適宜的液壓 | |||||||
| d1 | d | d3 | B1 | G | 和鎖緊裝置 | 螺母 | ||||
|
|
||||||||||
| mm | kg | - | ||||||||
|
|
||||||||||
| 670 | 710 | 900 | 572 | Tr 710x7 | 459 | OH 32/710 H | HM 31/710 | MS 31/710 | HMV 142 E | |