

磐固晟是SKF進口軸承經銷 商,不僅為工業(yè)配套用戶提供SKF OH3280H軸承,在維修市場也提供足夠的支持,是SKF軸承在國內的優(yōu)質經銷商之一,購買SKF OH3280H軸承,磐固晟是您放心的選擇。
型號:OH3280H
品牌:SKF
系列:緊定套
【更新日期:2016/8/3 電腦版 OH3280H軸承】
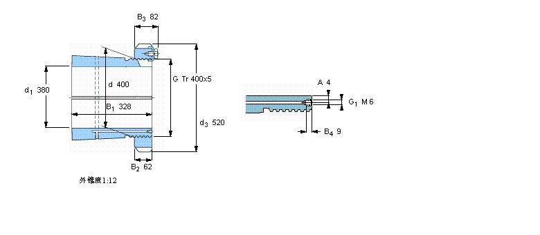
| 緊定套 | ||||||||||
|
|
||||||||||
| 尺寸 | 體積 | 型號 | ||||||||
| 緊定軸套帶螺母 | 鎖定螺母 | 鎖定裝置 | 適宜的液壓 | |||||||
| d1 | d | d3 | B1 | G | 和鎖緊裝置 | 螺母 | ||||
|
|
||||||||||
| mm | kg | - | ||||||||
|
|
||||||||||
| 380 | 400 | 520 | 328 | Tr 400x5 | 87,0 | OH 3280 H | HM 3180 | MS 3184-80 | HMV 80 E | |