

磐固晟是SKF進口軸承經銷 ,銷售SKF OH30/800HE軸承,不僅具備價格優(yōu)勢,而且在供貨及時性、供貨能力方面具有比較優(yōu)勢,能在最短的時間內為用戶提供原裝進口的SKF OH30/800HE軸承。
型號:OH30/800HE
品牌:SKF
系列:緊定套
【更新日期:2016/8/3 電腦版 OH30/800HE軸承】
| 緊定套 | ||||||||||
|
|
||||||||||
| 尺寸 | 體積 | 型號 | ||||||||
| 緊定軸套帶螺母 | 鎖定螺母 | 鎖定裝置 | 適宜的液壓 | |||||||
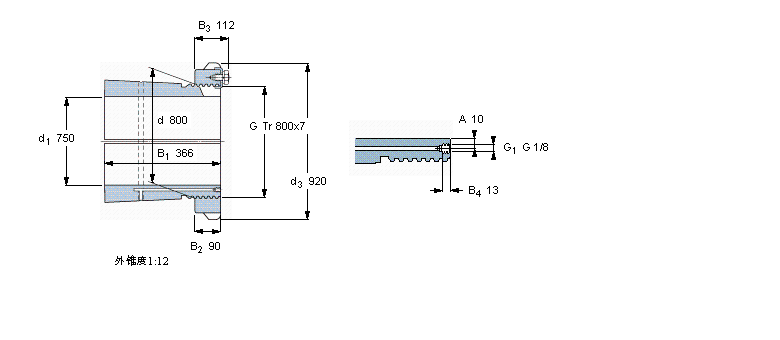
| d1 | d | d3 | B1 | G | 和鎖緊裝置 | 螺母 | ||||
|
|
||||||||||
| mm | kg | - | ||||||||
|
|
||||||||||
| 750 | 800 | 920 | 366 | Tr 800x7 | 302 | OH 30/800 HE | HME 30/800 | MS 30/800-750 | HMV 160 E | |