

NU2316ECML軸承是SKF公司同時面向工業(yè)配套和維修市場的產品,磐固晟同時經銷 此兩項業(yè)務,不僅為批量采購的用戶提供優(yōu)惠的SKF NU2316ECML軸承,同時也為零散采購用戶提供價格優(yōu)惠的及時供貨服務。
型號:NU2316ECML
品牌:SKF
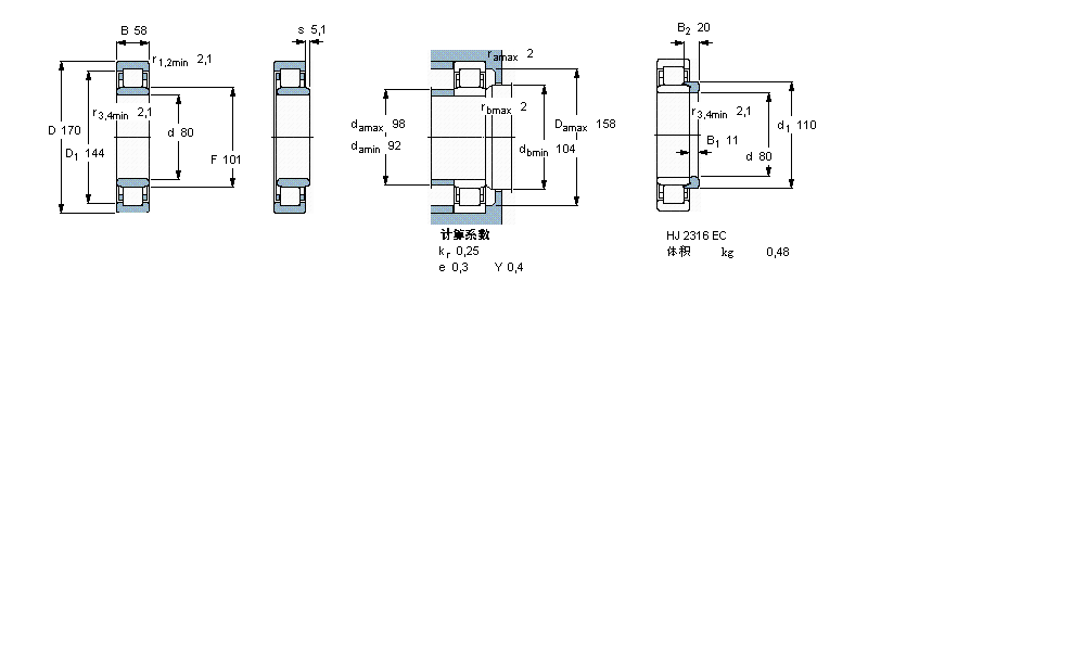
內徑:80
外徑:170
厚度:58
系列:圓柱滾子軸承, 單列, NU 設計
【更新日期:2016/8/3 電腦版 NU2316ECML軸承】
| 圓柱滾子軸承, 單列, NU 設計 | ||||||||||||
| 公差 , 參見文字 | ||||||||||||
| 徑向內部間隙, 圓柱型內孔 , 圓錐型內孔, 無密封件 , 參見文字 | ||||||||||||
| 推薦配合 | ||||||||||||
| 軸和軸承座公差 | ||||||||||||
|
|
||||||||||||
| 主要數據尺寸 | 基本負荷額定值 | 疲勞負荷限值 | 額定速度 | 體積 | 型號 | 適宜的斜擋圈 | ||||||
| 動態(tài) | 靜態(tài) | 參照速度 | 限制速度 | 型號 | ||||||||
| d | D | B | C | C0 | Pu | * - SKF Explorer 軸承 | ||||||
|
|
||||||||||||
| mm | kN | kN | r/min | kg | - | - | ||||||
|
|
||||||||||||
| 80 | 170 | 58 | 415 | 440 | 55 | 4300 | 7500 | 6,50 | NU 2316 ECML * | HJ 2316 EC | ||