

SKF進口軸承經銷 磐固晟為用戶提供高品質的NNCL4932CV軸承,無論是工業(yè)配套還是維修市場,用戶都可以在這里找到貨期最短的SKF NNCL4932CV軸承,確保您的不間斷生產。
型號:NNCL4932CV
品牌:SKF
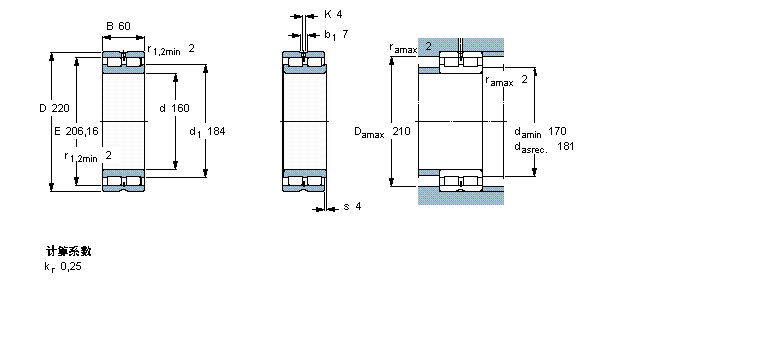
內徑:160
外徑:220
厚度:60
系列:圓柱滾子軸承, 雙列滿裝滾子, 無密封件, 沒有載荷支承能力
【更新日期:2016/8/3 電腦版 NNCL4932CV軸承】
| 圓柱滾子軸承, 雙列滿裝滾子, 無密封件, 沒有載荷支承能力 | ||||||||||
| 公差 , 參見文字 | ||||||||||
| 徑向內部游隙 , 參見文字 | ||||||||||
| 推薦配合 | ||||||||||
| 軸和軸承座公差 | ||||||||||
|
|
||||||||||
| 主要數據尺寸 | 基本負荷額定值 | 疲勞負荷限值 | 額定速度 | 體積 | 型號 | |||||
| 動態(tài) | 靜態(tài) | 參照速度 | 限制速度 | |||||||
| d | D | B | C | C0 | Pu | |||||
|
|
||||||||||
| mm | kN | kN | r/min | kg | - | |||||
|
|
||||||||||
| 160 | 220 | 60 | 446 | 915 | 96,5 | 1300 | 1600 | 6,80 | NNCL 4932 CV | |