

NNCL4838CV軸承是SKF公司同時面向工業(yè)配套和維修市場的產品,磐固晟同時經銷 此兩項業(yè)務,不僅為批量采購的用戶提供優(yōu)惠的SKF NNCL4838CV軸承,同時也為零散采購用戶提供價格優(yōu)惠的及時供貨服務。
型號:NNCL4838CV
品牌:SKF
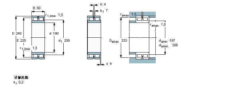
內徑:190
外徑:240
厚度:50
系列:圓柱滾子軸承, 雙列滿裝滾子, 無密封件, 沒有載荷支承能力
【更新日期:2016/8/3 電腦版 NNCL4838CV軸承】
| 圓柱滾子軸承, 雙列滿裝滾子, 無密封件, 沒有載荷支承能力 | ||||||||||
| 公差 , 參見文字 | ||||||||||
| 徑向內部游隙 , 參見文字 | ||||||||||
| 推薦配合 | ||||||||||
| 軸和軸承座公差 | ||||||||||
|
|
||||||||||
| 主要數據尺寸 | 基本負荷額定值 | 疲勞負荷限值 | 額定速度 | 體積 | 型號 | |||||
| 動態(tài) | 靜態(tài) | 參照速度 | 限制速度 | |||||||
| d | D | B | C | C0 | Pu | |||||
|
|
||||||||||
| mm | kN | kN | r/min | kg | - | |||||
|
|
||||||||||
| 190 | 240 | 50 | 330 | 750 | 76,5 | 1100 | 1400 | 5,30 | NNCL 4838 CV | |