

SKF進口軸承經銷 磐固晟為用戶提供高品質的NNCF5012CV軸承,無論是工業(yè)配套還是維修市場,用戶都可以在這里找到貨期最短的SKF NNCF5012CV軸承,確保您的不間斷生產。
型號:NNCF5012CV
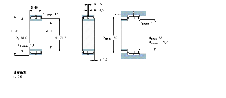
品牌:SKF
內徑:60
外徑:95
厚度:46
系列:圓柱滾子軸承, 雙列滿裝滾子, 無密封件, 單方向軸向負荷的擋邊
【更新日期:2016/8/3 電腦版 NNCF5012CV軸承】
| 圓柱滾子軸承, 雙列滿裝滾子, 無密封件, 單方向軸向負荷的擋邊 | ||||||||||
| 公差 , 參見文字 | ||||||||||
| 徑向內部游隙 , 參見文字 | ||||||||||
| 推薦配合 | ||||||||||
| 軸和軸承座公差 | ||||||||||
|
|
||||||||||
| 主要數據尺寸 | 基本負荷額定值 | 疲勞負荷限值 | 額定速度 | 體積 | 型號 | |||||
| 動態(tài) | 靜態(tài) | 參照速度 | 限制速度 | |||||||
| d | D | B | C | C0 | Pu | |||||
|
|
||||||||||
| mm | kN | kN | r/min | kg | - | |||||
|
|
||||||||||
| 60 | 95 | 46 | 198 | 300 | 36,5 | 3400 | 4000 | 1,24 | NNCF 5012 CV | |