

購買SKF NNCF4832CV軸承,及NNCF4832CV軸承同系列產品,或者SKF公司其他產品,請聯系SKF進口軸承經銷 -磐固晟,我們提供準時高效的服務。
型號:NNCF4832CV
品牌:SKF
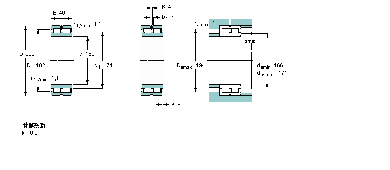
內徑:160
外徑:200
厚度:40
系列:圓柱滾子軸承, 雙列滿裝滾子, 無密封件, 單方向軸向負荷的擋邊
【更新日期:2016/8/3 電腦版 NNCF4832CV軸承】
| 圓柱滾子軸承, 雙列滿裝滾子, 無密封件, 單方向軸向負荷的擋邊 | ||||||||||
| 公差 , 參見文字 | ||||||||||
| 徑向內部游隙 , 參見文字 | ||||||||||
| 推薦配合 | ||||||||||
| 軸和軸承座公差 | ||||||||||
|
|
||||||||||
| 主要數據尺寸 | 基本負荷額定值 | 疲勞負荷限值 | 額定速度 | 體積 | 型號 | |||||
| 動態(tài) | 靜態(tài) | 參照速度 | 限制速度 | |||||||
| d | D | B | C | C0 | Pu | |||||
|
|
||||||||||
| mm | kN | kN | r/min | kg | - | |||||
|
|
||||||||||
| 160 | 200 | 40 | 260 | 610 | 62 | 1400 | 1700 | 3,00 | NNCF 4832 CV | |