

作為傳統的進口軸承經銷 商,磐固晟以廣州為基地,全方位展開與SKF公司的合作,為本地SKF NKX35軸承提供強大的貨源支持,并迅速推廣到全國各地,經過多年的努力,NKX35軸承已成為我們的主導產品之一。
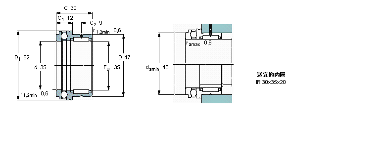
型號:NKX35
品牌:SKF
內徑:35
外徑:47
厚度:30
系列:組合式滾針軸承, 滾針/推力球軸承
【更新日期:2016/8/3 電腦版 NKX35軸承】
| 組合式滾針軸承, 滾針/推力球軸承 | ||||||||||||||
| 公差 , 參見文字 | ||||||||||||||
| 徑向內部游隙 , 參見文字 | ||||||||||||||
| 推薦配合 | ||||||||||||||
| 軸和軸承座公差 | ||||||||||||||
|
|
||||||||||||||
| 主要數據尺寸 | 基本負荷額定值 | 疲勞負荷限值 | 最小負荷系數 | 額定速度 | 體積 | 型號 | ||||||||
| 徑向 | 軸向 | 參照速度 | 限制速度 | |||||||||||
| 動態(tài) | 靜態(tài) | 動態(tài) | 靜態(tài) | 徑向 | 軸向 | |||||||||
| Fw | D | C | C | C0 | C | C0 | Pu | Pu | A | |||||
|
|
||||||||||||||
| mm | kN | kN | - | r/min | kg | - | ||||||||
|
|
||||||||||||||
| 35 | 47 | 30 | 24,6 | 45 | 21,2 | 51 | 5,6 | 1,9 | 0,013 | 5600 | 7500 | 0,16 | NKX 35 | |